

船用法蘭式直角型鑄鋼截止閥、截止止回閥
GB/T584-1999船用法蘭鑄鋼截止閥 Marine Cast Steel Flanged Stop Valves GB/T585-1999船用法蘭鑄鋼截止止回閥 Marine Cast Steel Flanged Stop Check Valves GB/T3942-2002法蘭不繡鋼截止閥Flanged S.S stop valves GB/T3943-2002法蘭不銹鋼截止止回閥Flange...
- 產品詳情
GB/T584-1999船用法蘭鑄鋼截止閥
Marine Cast Steel Flanged Stop Valves
GB/T585-1999船用法蘭鑄鋼截止止回閥
Marine Cast Steel Flanged Stop Check Valves
GB/T3942-2002法蘭不繡鋼截止閥Flanged S.S stop valves
GB/T3943-2002法蘭不銹鋼截止止回閥Flanged S.S stop check valves
性能規范 Technical Data
主要零部件材質Materials of Main Parts
注:如需PN4.0、6.4MPa的B型船用法蘭鑄鋼截止閥、截止止回閥基本尺寸請來電資詢。
注:如需PN4.0、6.4MPa的BS型船用法蘭鑄鋼截止閥、截止止回閥基本尺寸請來電資詢。
Marine Cast Steel Flanged Stop Valves
GB/T585-1999船用法蘭鑄鋼截止止回閥
Marine Cast Steel Flanged Stop Check Valves
GB/T3942-2002法蘭不繡鋼截止閥Flanged S.S stop valves
GB/T3943-2002法蘭不銹鋼截止止回閥Flanged S.S stop check valves
性能規范 Technical Data
|
公稱壓力 Nominal Pressure(MPa) |
公稱通徑 Nominal Diameter(mm) |
適用介質 Applicable Medium |
|---|---|---|
| 1.0 | 65-300 |
淡水、滑油、燃油和t≤300℃蒸汽 Fresh water,Lubricanting oil,Fuel oil,t≤300℃ steam. |
| 1.6 | 100-250 | |
| 2.5 | 20-150 | |
| 4.0 | 65-100 |
淡水、滑油、燃油和t≤400℃蒸汽 Fresh water丄ubricanting oil,Fuel oil,≤400℃ steam. |
| 6.4 | 20-50 |
主要零部件材質Materials of Main Parts
| 零件名稱Parts name | 材料 Material | ||
|---|---|---|---|
| 名稱Name | 牌號Marks | ||
| 閥體、閥蓋Body、Cover | 鑄鋼 Cast steel | ZG230-450 | |
| 閥盤Disc | 碳素鋼 High-quality carbon steel | 鋼25 | |
| 閥桿Stem | 不繡鋼 Stainless steel | 2Cr13 | |
| 閥盤密封圈Disc seal ring | 焊不繡鋼 Weld stainless steel | H2CM3 | |
| 閥體密封圈Body seal ring | PN≤2.5 | 焊不繡鋼 Weld stainless steel | H1Cr18Ni9Ti |
| PN≥4.0 | 焊不繡鋼 Weld stainless steel | H2Cr13 | |
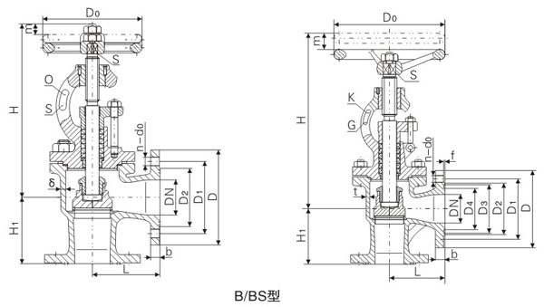
基本尺寸Dimensions

|
公稱壓力 PN(Mpa) |
公稱通徑 DN(mm) |
結構尺寸 Structure Dimension |
壁厚 Thickness t |
法蘭 Flange |
螺栓 Bolt |
手輪 Hand wheel |
升程 Lift Range |
參考重量 Weight(kg) |
||||||||
|---|---|---|---|---|---|---|---|---|---|---|---|---|---|---|---|---|
| L | H≈ | H1 | ||||||||||||||
| B型 | B型 | B型 | D | D1 | D2 | do | b | n個 | Th. | Do | S | m | B型 | |||
| 1.0 | 65 | 115 | 277 | 115 | 6.0 | 155 | 123 | 104 | 15 | 14 | 6 | M14 | 140 | 12 | 18 | 12.9 |
| 80 | 125 | 304 | 125 | 7.0 | 170 | 138 | 118 | 15 | 14 | 8 | M14 | 160 | 14 | 24 | 17.9 | |
| 100 | 150 | 325 | 135 | 8.0 | 190 | 158 | 138 | 15 | 14 | 8 | M14 | 180 | 14 | 35 | 24.0 | |
| 125 | 175 | 366 | 155 | 8.0 | 215 | 183 | 164 | 15 | 14 | 10 | M14 | 200 | 17 | 44 | 33.7 | |
| 150 | 180 | 415 | 160 | 9.0 | 240 | 208 | 190 | 15 | 14 | 12 | M14 | 200 | 17 | 57 | 41.9 | |
| 1.6 | 125 | 175 | 405 | 155 | 8.0 | 225 | 187 | 168 | 17 | 15 | 10 | M16 | 250 | 22 | 44 | 38.9 |
| 150 | 180 | 452 | 160 | 9.0 | 255 | 217 | 196 | 17 | 15 | 12 | M16 | 280 | 24 | 57 | 51.7 | |
| 2.5 | 20 | 75 | 203 | 75 | 6.0 | 95 | 68 | 48 | 13 | 11 | 4 | M12 | 80 | 8 | 7 | 4.4 |
| 25 | 80 | 203 | 80 | 6.0 | 105 | 73 | 56 | 13 | 12 | 4 | M12 | 80 | 8 | 7 | 5.0 | |
| 32 | 85 | 216 | 85 | 6.0 | 115 | 83 | 64 | 15 | 13 | 6 | M14 | 100 | 9 | 9 | 6.1 | |
| 40 | 90 | 236 | 90 | 7.0 | 125 | 93 | 74 | 15 | 13 | 6 | M14 | 120 | 11 | 11 | 7.2 | |
| 50 | 95 | 258 | 95 | 7.0 | 135 | 103 | 84 | 15 | 13 | 6 | M14 | 140 | 12 | 14 | 12.7 | |
| 65 | 115 | 301 | 115 | 7.0 | 170 | 132 | 110 | 17 | 15 | 8 | M16 | 160 | 14 | 18 | 18.9 | |
| 80 | 125 | 321 | 125 | 7.0 | 185 | 147 | 126 | 17 | 16 | 8 | M16 | 200 | 17 | 24 | 22.7 | |
| 100 | 150 | 368 | 135 | 8.0 | 205 | 167 | 146 | 17 | 16 | 10 | M16 | 250 | 22 | 35 | 31.3 | |
| 125 | 175 | 432 | 155 | 9.0 | 240 | 196 | 172 | 21 | 19 | 10 | M20 | 280 | 24 | 44 | 47.9 | |
| 150 | 200 | 484 | 175 | 9.0 | 270 | 226 | 200 | 21 | 20 | 12 | M20 | 320 | 27 | 57 | 60.3 | |
|
公稱壓力 PN(Mpa) |
公稱通徑 DN(mm) |
結構尺寸 Structure Dimension |
壁厚 Thickness t |
法蘭 Flange |
螺栓 Bolt |
手輪 Hand wheel |
升程 Lift Range |
參考重量 Weight(kg) |
||||||||
|---|---|---|---|---|---|---|---|---|---|---|---|---|---|---|---|---|
| L | H≈ | H1 | ||||||||||||||
| BS型 | BS型 | BS型 | D | D1 | D2 | do | b | n個 | Th. | Do | S | m | BS型 | |||
| 1.0 | 200 | 275 | 543 | 275 | 10.0 | 340 | 295 | 268 | 22 | 24 | 8 | M20 | 360 | 27 | 68 | 104.0 |
| 250 | 325 | 623 | 325 | 11.5 | 395 | 350 | 320 | 22 | 26 | 12 | M20 | 450 | 32 | 80 | 160.0 | |
| 300 | 375 | 696 | 375 | 13.0 | 445 | 400 | 370 | 22 | 26 | 12 | M20 | 500 | 36 | 100 | 216.0 | |
| 1.6 | 100 | 175 | 368 | 175 | 8.0 | 220 | 180 | 158 | 18 | 22 | 8 | M16 | 250 | 22 | 35 | 33.2 |
| 125 | 200 | 405 | 200 | 8.0 | 250 | 210 | 184 | 18 | 22 | 8 | M16 | 250 | 22 | 44 | 46.1 | |
| 150 | 225 | 452 | 225 | 9.0 | 285 | 240 | 212 | 22 | 24 | 8 | M20 | 280 | 24 | 57 | 62.1 | |
| 175 | 225 | 505 | 225 | 10.0 | 315 | 270 | 242 | 22 | 24 | 8 | M20 | 360 | 27 | 60 | 87.8 | |
| 200 | 275 | 565 | 275 | 10.0 | 340 | 295 | 268 | 22 | 24 | 12 | M20 | 450 | 32 | 68 | 116.0 | |
| 250 | 325 | 646 | 325 | 11.5 | 405 | 355 | 320 | 26 | 26 | 12 | M24 | 500 | 36 | 80 | 173.0 | |
| 2.5 | 20 | 95 | 203 | 95 | 6.0 | 105 | 75 | 58 | 14 | 16 | 4 | M12 | 80 | 8 | 7 | 5.4 |
| 25 | 100 | 203 | 100 | 6.0 | 115 | 85 | 68 | 14 | 16 | 4 | M12 | 80 | 8 | 7 | 6.1 | |
| 32 | 105 | 216 | 105 | 6.0 | 140 | 100 | 78 | 18 | 18 | 4 | M16 | 100 | 9 | 9 | 8.3 | |
| 40 | 115 | 236 | 115 | 7.0 | 150 | 110 | 88 | 18 | 18 | 4 | M16 | 120 | 11 | 12 | 10.9 | |
| 50 | 125 | 258 | 125 | 7.0 | 165 | 125 | 102 | 18 | 20 | 4 | M16 | 140 | 12 | 15 | 14.2 | |
| 65 | 145 | 301 | 145 | 7.0 | 185 | 145 | 122 | 18 | 22 | 8 | M16 | 160 | 14 | 19 | 20.6 | |
| 80 | 155 | 321 | 155 | 8.0 | 200 | 160 | 133 | 18 | 24 | 8 | M16 | 200 | 17 | 23 | 25.8 | |
| 100 | 175 | 368 | 175 | 8.0 | 235 | 190 | 158 | 22 | 24 | 8 | M20 | 250 | 22 | 28 | 37.8 | |
| 125 | 200 | 432 | 200 | 9.0 | 270 | 220 | 184 | 26 | 26 | 8 | M24 | 280 | 24 | 35 | 58.1 | |
| 150 | 225 | 484 | 225 | 9.0 | 300 | 250 | 212 | 26 | 28 | 8 | M24 | 320 | 27 | 42 | 73.7 | |
聲明:本文中所有文字、數據、圖片均只適用于參考,船用法蘭式直角型鑄鋼截止閥、截止止回閥性能參數、結構尺寸參數、價格等詳情,請聯系我們,電話:021-80392609。
-

GB/T596-1983船用外螺紋青銅截止止回閥
GB/T596-1983船用外螺紋青銅截止止回閥 Marine bronze male thread stop check valve ...
-

GB/1241-1983船用外螺紋鍛鋼截止止回閥
GB/1241-1983船用外螺紋鍛鋼截止止回閥 Marine forged steel male thread stop check ...
-

船用法蘭鑄鐵單排吸入截止閥箱、截止止回閥箱
GB/T1854-1993船用法蘭鑄鐵單排吸入截止閥箱 Marine flanged cast Iron single arrang...
-

船用法蘭鑄鋼直角式舷側截止止回閥
GB/T1853-1994船用法蘭鑄鋼舷側截止止回閥 Marine flanged cast steel over board sto...


