

船用法蘭直通型鑄鐵截止閥、船用截止止回閥
GB/T590-1993船用法蘭鑄鐵截止閥 Marine Cast Lron Flanged Stop Valves GB/T591 -1993船用法蘭鑄鐵截止 止回閥 Marine Vast Lron Ranged Stop Check Valves 性能規范 Technical Data A/AS型船用法蘭直通型鑄鐵 截止閥 、船用截止止回閥性能規范 公稱壓力Nomi...
- 產品詳情
GB/T590-1993船用法蘭鑄鐵截止閥
Marine Cast Lron Flanged Stop Valves
GB/T591 -1993船用法蘭鑄鐵截止止回閥
Marine Vast Lron Ranged Stop Check Valves
性能規范 Technical Data
主要零部件材質Materials of Main Parts
Marine Cast Lron Flanged Stop Valves
GB/T591 -1993船用法蘭鑄鐵截止止回閥
Marine Vast Lron Ranged Stop Check Valves
性能規范 Technical Data
| 公稱壓力Nominal Pressure(MPa) | 公稱通徑 Nominal Diameter(mm) | 適用介質 Applicable Medium |
|---|---|---|
| 0.6 | 50-300 |
海水、淡水、滑油、燃油和t≤220℃蒸汽 Sea water,Fresh water,Lubricanting oil,Fuel oil,t≤220℃steam. |
| 1.0 | 65-250 | |
| 1.6 | 20-50 |
主要零部件材質Materials of Main Parts
| 零件名稱Parts name | 材料 Material | |
|---|---|---|
| 名稱Name | 牌號Marks | |
| 閥體、閥蓋Body、Cover | 灰鑄鐵 Gray Cast Iron | HT200 |
| 閥盤Disc | 鑄錫青銅 Cast Tin Bronze | ZCuSnl0Zn2 |
| 閥座Seat | 鑄銘青銅 Cast Aluminum Bronze | ZCuAI9Mn2 |
| 閥桿Stem | 錯青銅 Aluminum Bronze | CuAI9Mn2 |
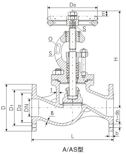
基本尺寸Dimensions

|
公稱壓力 PN (Mpa) |
公稱通徑 DN (mm) |
結構尺寸 Structure Dimension |
壁厚 Thickness δ |
法蘭 Flange |
螺栓 Bolt |
手輪 Hand wheel |
升程 Lift Range m |
參考重量 Weight(kg) |
|||||||
|---|---|---|---|---|---|---|---|---|---|---|---|---|---|---|---|
| L | H≈ | ||||||||||||||
| A型 | A型 | D | Di | D2 | do | b | n個 | Th. | Do | S | A型 | ||||
| 1.0 | 65 | 290 | 310 | 9 | 155 | 123 | 104 | 15 | 15 | 6 | M14 | 140 | 12 | 18 | 18.9 |
| 80 | 310 | 345 | 9 | 170 | 138 | 118 | 15 | 15 | 8 | M14 | 160 | 14 | 24 | 23.0 | |
| 100 | 350 | 374 | 10 | 190 | 158 | 138 | 15 | 15 | 8 | M14 | 180 | 14 | 35 | 31.0 | |
| 125 | 400 | 426 | 10 | 215 | 183 | 164 | 15 | 15 | 10 | M14 | 200 | 17 | 44 | 39.3 | |
| 150 | 480 | 482 | 11 | 240 | 208 | 190 | 15 | 16 | 12 | M14 | 200 | 17 | 57 | 55.5 | |
| 1.6 | 20 | 150 | 217 | 7 | 95 | 68 | 48 | 13 | 14 | 4 | M12 | 80 | 8 | 7 | 5.7 |
| 25 | 160 | 217 | 7 | 105 | 73 | 56 | 13 | 14 | 4 | M12 | 80 | 8 | 7 | 6.0 | |
| 32 | 180 | 236 | 7 | 115 | 83 | 64 | 15 | 15 | 6 | M14 | 100 | 9 | 9 | 7.0 | |
| 40 | 200 | 260 | 8 | 125 | 93 | 74 | 15 | 16 | 6 | M14 | 120 | 11 | 11 | 9.2 | |
| 50 | 230 | 288 | 8 | 135 | 103 | 84 | 15 | 16 | 6 | M14 | 140 | 12 | 14 | 11.9 | |
|
公稱壓力 PN (Mpa) |
公稱通徑 DN (mm) |
結構尺寸 Structure Dimension |
壁厚 Thickness δ |
法蘭 Flange |
螺栓 Bolt |
手輪 Hand wheel |
升程 Lift Range m |
參考重量 Weight(kg) |
|||||||
|---|---|---|---|---|---|---|---|---|---|---|---|---|---|---|---|
| L | H≈ | ||||||||||||||
| AS型 | AS型 | D | Di | D2 | do | b | n個 | Th. | Do | S | AS型 | ||||
| 0.6 | 50 | 230 | 288 | 8 | 140 | 110 | 90 | 14 | 16 | 4 | M12 | 140 | 12 | 14 | 12.2 |
| 65 | 290 | 310 | 9 | 160 | 130 | 110 | 14 | 16 | 4 | M12 | 140 | 12 | 18 | 19.2 | |
| 80 | 310 | 345 | 9 | 190 | 150 | 128 | 18 | 18 | 4 | M16 | 160 | 14 | 24 | 23.8 | |
| 100 | 350 | 374 | 10 | 210 | 170 | 148 | 18 | 18 | 4 | M16 | 180 | 14 | 35 | 34.5 | |
| 125 | 400 | 426 | 10 | 240 | 200 | 178 | 18 | 20 | 8 | M16 | 200 | 17 | 44 | 42.5 | |
| 150 | 480 | 482 | 11 | 265 | 225 | 202 | 18 | 20 | 8 | M16 | 200 | 17 | 57 | 58.7 | |
| 175 | 540 | 557 | 11 | 295 | 255 | 232 | 18 | 22 | 8 | M16 | 200 | 17 | 60 | 76.8 | |
| 200 | 600 | 621 | 11 | 320 | 280 | 258 | 18 | 22 | 8 | M16 | 280 | 24 | 68 | 102.0 | |
| 250 | 730 | 721 | 13 | 375 | 335 | 312 | 18 | 24 | 12 | M16 | 360 | 27 | 80 | 158.0 | |
| 300 | 850 | 794 | 13 | 440 | 395 | 365 | 22 | 24 | 12 | M20 | 450 | 32 | 100 | 218.0 | |
| 1.0 | 65 | 290 | 310 | 9 | 185 | 145 | 122 | 18 | 20 | 4 | M16 | 140 | 12 | 18 | 21.6 |
| 80 | 310 | 345 | 9 | 200 | 160 | 133 | 18 | 22 | 8 | M16 | 160 | 14 | 24 | 26.0 | |
| 100 | 350 | 374 | 10 | 220 | 180 | 158 | 18 | 24 | 8 | M16 | 180 | 14 | 35 | 35.0 | |
| 125 | 400 | 426 | 10 | 250 | 210 | 184 | 18 | 26 | 8 | M16 | 200 | 17 | 44 | 44.3 | |
| 150 | 480 | 482 | 11 | 285 | 240 | 212 | 22 | 26 | 8 | M20 | 200 | 17 | 57 | 62.7 | |
| 175 | 540 | 557 | 11 | 315 | 270 | 242 | 22 | 28 | 8 | M20 | 280 | 24 | 60 | 80.3 | |
| 200 | 600 | 621 | 11 | 340 | 295 | 268 | 22 | 28 | 8 | M20 | 360 | 27 | 68 | 106.0 | |
| 250 | 730 | 721 | 13 | 395 | 350 | 320 | 22 | 28 | 12 | M20 | 450 | 32 | 80 | 160.0 | |
| 1.6 | 20 | 150 | 217 | 7 | 105 | 75 | 58 | 14 | 16 | 4 | M12 | 80 | 8 | 7 | 6.2 |
| 25 | 160 | 217 | 7 | 115 | 85 | 68 | 14 | 16 | 4 | M12 | 80 | 8 | 7 | 6.6 | |
| 32 | 180 | 236 | 7 | 140 | 100 | 78 | 18 | 18 | 4 | M16 | 100 | 9 | 9 | 8.6 | |
| 40 | 200 | 260 | 8 | 150 | 110 | 88 | 18 | 18 | 4 | M16 | 120 | 11 | 11 | 11.0 | |
| 50 | 230 | 288 | 8 | 165 | 125 | 102 | 18 | 20 | 4 | M16 | 140 | 12 | 14 | 14.2 | |
聲明:本文中所有文字、數據、圖片均只適用于參考,船用法蘭直通型鑄鐵截止閥、船用截止止回閥性能參數、結構尺寸參數、價格等詳情,請聯系我們,電話:021-80392609。
-

GB/T596-1983船用外螺紋青銅截止止回閥
GB/T596-1983船用外螺紋青銅截止止回閥 Marine bronze male thread stop check valve ...
-

GB/1241-1983船用外螺紋鍛鋼截止止回閥
GB/1241-1983船用外螺紋鍛鋼截止止回閥 Marine forged steel male thread stop check ...
-

船用法蘭鑄鐵單排吸入截止閥箱、截止止回閥箱
GB/T1854-1993船用法蘭鑄鐵單排吸入截止閥箱 Marine flanged cast Iron single arrang...
-

船用法蘭鑄鋼直角式舷側截止止回閥
GB/T1853-1994船用法蘭鑄鋼舷側截止止回閥 Marine flanged cast steel over board sto...


