

D671F氣動對夾式調節蝶閥PN6~PN16
產品概述 D671F氣動對夾式調節蝶閥PN6~PN16是由 蝶閥 與氣動執行器及閥門定位器組成,利用4~20Ma信號控制壓縮空氣壓力使執行器做0~90度角旋轉,而帶動旋轉閥體,從而控制閥門做多角度的打開和關閉。氣動調節蝶根據選用不同的材質,可分別試用于水、污水、...
- 產品詳情
產品概述
D671F氣動對夾式調節蝶閥PN6~PN16是由蝶閥與氣動執行器及閥門定位器組成,利用4~20Ma信號控制壓縮空氣壓力使執行器做0~90度角旋轉,而帶動旋轉閥體,從而控制閥門做多角度的打開和關閉。氣動調節蝶根據選用不同的材質,可分別試用于水、污水、空氣、蒸汽、灷氣、腐蝕性介質、油品等介質。氣動調節蝶閥特點
氣動調節蝶閥采用電-氣閥門定位器,以電信信號和壓縮空氣為動力,接受控制系統輸入4-20MA或1-5V電流信號,由調節器將壓縮空氣轉?成氣源壓力輸入輸出,改變閥板的旋轉角度(0-90度任意角),具有較好的調節控制流量參數。
AT型或AW型氣動執行器采用活塞式擬制及曲臂轉換結構,輸出力矩大,體積精小,采用全密封防水設計防護等級高。擬制體用鏡面氣缸,無油潤滑,摩擦系數小,耐腐蝕、具有的耐用性及可靠性,所有傳動軸承均采用邊界自潤滑軸承無油潤滑,確保傳動軸不磨損。
主要性能參數
| 公稱通徑mm | 50 | 65 | 80 | 100 | 125 | 10 | 200 | 250 | 300 | 350 | 400 | 450 | 500 | 550 | 600 | 700 | 800 | 900 | 1000 | 1200 |
|---|---|---|---|---|---|---|---|---|---|---|---|---|---|---|---|---|---|---|---|---|
| 公稱壓力mpa | 0.6 1.0 2.5 4.0 | |||||||||||||||||||
| 流量特性 | 近似等百分比、直線特性、快開性 | |||||||||||||||||||
| 閥板角度 | 0-90度可調 | |||||||||||||||||||
| 允許泄漏量 | 軟密封:0泄漏 硬密封:≤額定CV*0.001% | |||||||||||||||||||
| 允許壓差 | ≤公稱壓力值 | |||||||||||||||||||
| 作用形式 | 雙作用/單作用(彈簧復位式) | |||||||||||||||||||
| 執行器 | 型號:DA、GTD/GTE系列、AW/AWS系列 | |||||||||||||||||||
| 氣源壓力:凈化壓縮空氣0.3-0.7MPA | ||||||||||||||||||||
| 調節型 | 輸入信號: 電流信號:0-10MA、4-10mA 氣源信號 20-100KPa | |||||||||||||||||||
| 基本誤差:帶定位器≤±1.5% | ||||||||||||||||||||
| 回差:帶定位器≤1.5% | ||||||||||||||||||||
| 死區:帶定位器≤0.6% | ||||||||||||||||||||
| 可調節比 250:1 | ||||||||||||||||||||
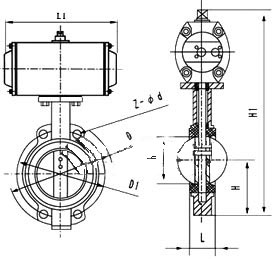
產品主要外形結構尺寸
| 公稱通徑 |
結構長度 (標準值) |
外形尺寸 (參考值) |
連接尺寸 (標準值) |
|||||||||
|---|---|---|---|---|---|---|---|---|---|---|---|---|
| 0.6MPa | 1.0MPa | 1.6MPa | ||||||||||
| 毫米 | 英寸 | L | H | H0 | A | B | D0 | n-d | D0 | n-d | D0 | n-d |
| 50 | 2 | 43 | 63 | 315 | 180 | 65 | 110 | 4-14 | 125 | 4-18 | 125 | 4-18 |
| 65 | 21/2 | 46 | 70 | 330 | 180 | 65 | 130 | 4-14 | 145 | 4-18 | 145 | 4-18 |
| 80 | 3 | 46 | 83 | 390 | 245 | 72 | 150 | 4-18 | 160 | 8-18 | 160 | 8-18 |
| 100 | 4 | 52 | 105 | 431 | 240 | 72 | 170 | 4-18 | 180 | 8-18 | 180 | 8-18 |
| 125 | 5 | 56 | 115 | 455 | 240 | 72 | 200 | 8-18 | 210 | 8-18 | 210 | 8-18 |
| 150 | 6 | 56 | 137 | 626 | 350 | 93 | 225 | 8-18 | 240 | 8-22 | 240 | 8-22 |
| 200 | 8 | 60 | 164 | 720 | 350 | 93 | 280 | 8-18 | 295 | 8-22 | 295 | 12-22 |
| 250 | 10 | 68 | 206 | 800 | 550 | 350 | 335 | 12-18 | 350 | 12-22 | 355 | 12-26 |
| 300 | 12 | 78 | 230 | 860 | 600 | 350 | 395 | 12-22 | 400 | 12-22 | 410 | 12-26 |
| 350 | 14 | 78 | 248 | 883 | 600 | 350 | 445 | 12-22 | 460 | 16-22 | 470 | 16-26 |
| 400 | 16 | 102 | 289 | 972 | 600 | 350 | 495 | 16-22 | 515 | 16-26 | 525 | 16-30 |
| 450 | 18 | 114 | 320 | 1043 | 750 | 380 | 550 | 16-22 | 565 | 20-26 | 585 | 20-30 |
| 500 | 20 | 127 | 343 | 1098 | 750 | 380 | 600 | 20-22 | 620 | 20-26 | 650 | 20-33 |
| 600 | 24 | 154 | 413 | 1236 | 750 | 380 | 705 | 20-26 | 725 | 20-30 | 770 | 20-36 |
| 700 | 28 | 165 | 478 | 1431 | 750 | 380 | 810 | 24-26 | 840 | 24-30 | 840 | 24-36 |
| 800 | 32 | 190 | 525 | 1488 | 750 | 380 | 920 | 24-30 | 950 | 24-33 | 950 | 24-39 |
| 900 | 36 | 203 | 620 | 1615 | 1250 | 380 | 1020 | 24-30 | 1050 | 28-33 | 1050 | 28-39 |
| 1000 | 40 | 216 | 725 | 1765 | 1500 | 580 | 1120 | 28-30 | 1160 | 28-36 | 1170 | 28-42 |
| 1200 | 48 | 254 | 780 | 1976 | 1500 | 580 | 1340 | 32-33 | 1380 | 32-39 | 1390 | 32-48 |
產品外形結構尺寸圖:

安裝注事事項:
1、安裝前應核對蝶閥規格、壓力、溫度、耐腐性是否滿足使用要求。 應檢查各零部件是否損壞或松動。
2、本蝶閥可安裝在任意角度的管道上,應關閉安裝為宜;焊接管道法蘭時應將閥門密封口用板擋住以防止顆粒、雜物挫傷密封面,焊后取下 閥門,對閥門密封面及管道內腔進行清潔,然后再安裝固定閥門。
3、安裝時請注意閥門關閉狀態承壓方向。
4、安裝前應將密封面(兩端密封面、蝶板密封面、閥座密封面)徹底擦干凈,去掉灰塵和污物。
5、安裝前應空試蝶閥,啟閉應靈活,啟閉位置與指針指示位置相符合。
6、手動操作順時針為關,逆時針為開,指針指示到位后不準再加力啟閉閥門。
7、閥門做壓力試驗時,不準用單法蘭進行安裝試壓,采用雙法蘭安裝試壓。其試驗壓力應符合GB/T13927-92標準規定。
8、緊固螺栓時應對稱交替進行緊固,不準依次單獨緊固。
9、限位螺釘出廠前,已經調好,不準輕易調整。若配置驅動裝置為電動、氣動請閱配套驅動裝置說明書。
10、電動蝶閥出廠時已將控制機構的啟閉行程調好。為防止電源接通時方向搞錯,用戶在次接通電源前要先手動開啟到半開位置,再按點動開關,檢查指示盤方向與閥門開啟方向一致即可。
11、發現閥門啟閉失常應查明原因進行修理和排除,防止用加力方法開關閥門,造成閥門的損壞。

-

GID-50電動真空蝶閥
GID-50~400電動真空蝶閥 說明書資料介紹: GID-50~400電動真空蝶閥 : 別名真空蝶閥,閥...
-

D671F-10P氣動防爆不銹鋼蝶閥 耐腐蝕酸堿鹽對夾閥門
*** 滬工恒 公稱直徑 50cm 數量 480個 是否支持加工定制 否 是否進口 否 包裝規格 DN5...
-

Play 電動調節型快裝蝶閥 卡盤式食品衛生級開關型閥門
*** 滬工恒 公稱直徑 25cm 數量 300個 是否支持加工定制 是 是否進口 否 包裝規格 DN2...
-

GHQ971X 電動對夾式蝶閥 塑料智能型軟密封閥門
*** 滬工恒 公稱直徑 50cm 數量 500個 是否支持加工定制 是 是否進口 否 包裝規格 DN5...


