

XD371X對夾式軟密封蝸輪傳動消防信號蝶閥
蝶閥概述 XD371X對夾式軟密封蝸輪傳動消防 信號蝶閥 是用蝸輪帶動閥桿啟閉往復回轉90左右來開啟、關閉和調節流體通道的一種閥門。 蝶閥不僅結構簡單、體積...
- 產品詳情
蝶閥概述
XD371X對夾式軟密封蝸輪傳動消防信號蝶閥是用蝸輪帶動閥桿啟閉往復回轉90°左右來開啟、關閉和調節流體通道的一種閥門。蝶閥不僅結構簡單、體積小、重里輕、材料耗用省,安裝尺寸小,而且驅動力矩小,操作簡便、迅速,并且還可同時具有良好的流量調節功能和關閉密封特性,是近十幾年來發展快的閥門品種之一。特別是在美、日、德,法、意等工業發達國家,蝶閥的使用非常廣泛,其使用的品種和數量仍在繼續擴大,并向高溫、高壓、大口徑、高密封性、長壽命、***良的調節特性以及一閥多功能方向發展,其可靠性及其他性能指標均達較高水平,并已部分取代截止閥、閘閥和球閥。隨著蝶閥技術的進步,在可以預見的短時間內,特別是在大中型口徑、中低壓力的使用領域,蝶閥將會成為主導的閥門形式。
軟密封蝶閥用途及特點
1、設計新穎、合理,結構,重量輕,啟閉迅速。2、操作力矩小,操作方便,省力炅巧。
3、可以任何位置安裝,維修方便。
4、密封件可以更換,密封性能可靠,達到雙向密封零泄漏。
5、密封材料耐老化,耐腐蝕,使用壽命長等特點。
6、結構簡單,通用互換性好,價格低廉。
7、閥桿密封不易變形從而避免了通常的閥桿泄漏現象。整體支撐性好,穩定、牢固。
8、閥座橡膠用量少,膨脹的潛在影響小,容易將扭矩值控制在適當的范圍內采用兩截式閥桿無銷連接,結構簡單緊湊,維修拆卸極為方便。
9、蝶板具有自動對中功能,實現了蝶板與閥座小過盈合量配合。酚醛靠背座具有不脫落、抗拉、防泄漏、更換方便等特點。由于閥座密封面與靠背為一體,從而減小了閥座的變形量。
10、 XD371X消防信號蝶閥適用在石油、化工、食品、醫藥、造紙、水電、船舶、給排水、冶煉、能源等系統管路上,可在多種腐蝕性,非腐蝕性的氣體、液體、 半流體以及固體粉末管線和容器上作為調節和截流設備使用。特別廣泛適用于高層建設消防系統及其它需要顯示閥門開關狀態的管路系統上。
軟密封蝶閥型號編制說明
| 閥門類型 | 傳動方式 | 連接形式 | 結構形式 | 密封材質 | 公稱壓力 | 閥體材質 |
| D:蝶閥 |
為手動時 此欄不寫 |
7:對夾式 | 1:中線 | X:橡膠 | -10:PN1.0MPa |
Z:灰鑄鐵 Q:球墨鐵 |
主要技術參數
| 公稱通徑DN(mm) | 50-2000 | ||||
| 公稱壓力PN(MPa) | 0.6 | 1.0 | 1.6 | ||
| 試驗壓力 | 強度試驗 | 0.9 | 1.5 | 2.4 | |
| Ps(MPa) | 密封試驗 | 0.66 | 1.1 | 1.76 | |
| 適用介質 | 空氣、水、污水、蒸氣、煤氣、油品等。 | ||||
| 驅動形式 | 手動、蝸桿蝸輪傳動、氣傳動、電傳動 | ||||
工作原理
1、本信號蝶閥由蝸輪蝸桿傳動裝置驅動轉軸及蝶板旋轉實現啟閉和控制流量。
2、旋轉蝸輪蝸桿傳動裝置手輪,使蝶板達到啟閉及調節流量的目的,手輪順時針方向旋轉為閥門關閉。
3、蝸輪蝸桿傳動裝置箱體內設置微動開關有兩種形式:
(1)在傳動裝置箱體內設有開向、關向兩個微動幵關,分別在閥門全幵和關閉時動作,接通控制室"閥關"指示電源,使之準確顯示閥門幵關狀態。
(2)在傳動裝罝箱體內只設關向微動開關(蝶板全關閉位罝90° ),當蝶板由0-40°位罝時微動開關動作,輸出閥門關閉信號,40-90°位罝時另一 對常閉觸點可輸出打開信號。可調整壓觸微動開關的凸輪,顯示蝶板所處的不同位置。以上兩種形式匝用戶在訂貨合同中注明。
蝸輪蝸桿傳動裝置使用調整及接線方法
1、打開電氣開關箱罩,根據電氣控制要求把電纜的芯線接到相應的端子上,并密封好電纜進線口,同時把電纜固定,以防外力牽動時損壞電纜連接。
2、當閥門在"全關"位置時,順肝針轉動下面的關向凸輪,使凸輪剛才觸動微動開關聽到("咔噠"聲),然后旋緊凸輪上螺釘固定凸輪。
3、當閥門在"全開"位罝時,逆時針轉動上面的開向凸輪,用與上述相同的方法調整好開向凸輪。
4、調整限位螺釘,當閥門在全關或全開位置時,不應使限位螺釘剛好頂上蝸輪的限位平面,而應留有一定的間隙,然后旋緊限位螺釘上的鎖緊螺母。
電氣開關接線圖

說明:
1、虛線杠內元件在手動裝罝內。
2、KWK為開向的開關,GWK為關向的開關。
3、二只開關的規格為250V、3A。
故障及排除方法
| 可能發生故障 | 發生故障原因 | 方法 |
|---|---|---|
| 密封面泄漏 | 閥座碰傷,閥板劃傷,閥座與蝶板之間有卡阻現象y | 更換閥座,檢修閥板消防卡阻。 |
| 轉端泄漏 | 蝶閥閥座軸孔損壞,0型密封圈密封失敗。 | 更換閥座或0型密封圈。 |
| 蝶閥兩端面與管路兩法蘭端面連接處泄漏 | 連接螺栓不夠緊,或松緊不均,閥座老化。 | 連接螺栓對角均勻擰緊或更換閥座。 |
| 閥門開關指示燈不亮 | 微動開關損壞,微動開關凸輪位罝未調整好。 | 更換微動開關調整凸輪。 |
釆用標準
| 設計標準 | GB/T12238-2008、ISO 10631-1994或BS EN593-1998、BS5155、MSS SP-67 |
| 法蘭連接 | GB/T17241.6-2008、JIS B2212-B2214-1999,JIS B2220-2004、JIS B2210-1984、ANSI B 16.5-2009, ANSI B 16.47-2006、ISO 7005-2或BS EN 1092-2002(PN6、PN10、PN16、 Class 125、 Class150、5K、10K、 16K) |
| 結構長度 | GB/T12221 -2005、IS0 5752-1988SBSEN558-1 |
| 壓力試驗 | GB/T13927-2008、JB/T9092-1999、ISO 5028-1993或BS 5755-1-1986 |
| 頂法蘭 | 符合IS05211等標準 |
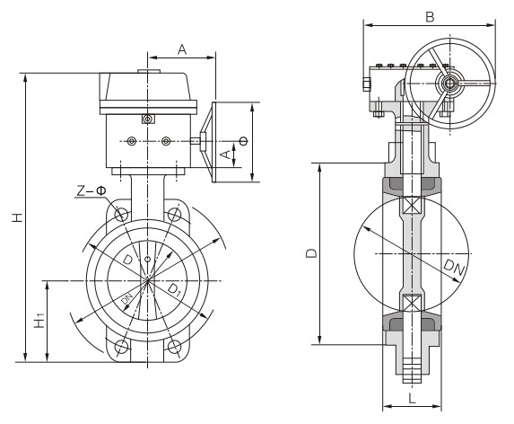
主要外形尺寸
|
公稱通徑 DN(mm) |
外徑 D | 中心距 D1 |
螺栓孔數 和孔徑 Z-φ |
結構長 L | 總高 H | 底座高 H1 | 蝸桿長 A | 蝸輪寬 B |
| 40 | 150 | 110 | 4-19 | 43 | 386 | 68 | 160 | 125 |
| 50 | 165 | 125 | 4-19 | 43 | 386 | 68 | 160 | 125 |
| 65 | 185 | 145 | 4-19 | 46 | 401 | 75 | 160 | 125 |
| 80 | 200 | 160 | 8-19 | 46 | 426 | 85 | 160 | 125 |
| 100 | 220 | 180 | 8-19 | 52 | 466 | 105 | 160 | 125 |
| 125 | 250 | 210 | 8-19 | 56 | 491 | 120 | 160 | 125 |
| 150 | 285 | 240 | 8-23 | 56 | 526 | 135 | 160 | 125 |
| 200 | 340 | 295 | 8-23 | 60 | 640 | 165 | 210 | 165 |
| 250 | 395 | 350 | 12-23 | 68 | 716 | 206 | 210 | 165 |
| 300 | 445 | 400 | 12-23 | 78 | 808 | 230 | 210 | 175 |
| 350 | 505 | 460 | 16-23 | 78 | 831 | 248 | 210 | 175 |
| 400 | 565 | 515 | 16-28 | 88 | 947 | 289 | 270 | 440 |
產品外形尺寸圖

蝶閥的選用原則
(1)由于蝶閥相對于閘閥、球閥壓力損失比較大,故適用于壓力損失要求不嚴的管路系統中。(2)由于蝶閥可以用作流量調節,故在需要進行流童調節的管路中宜于選用。
(3)由于蝶閥的結構和密封材料的限制,不宜用于髙溫、高壓的管路系統。一般工作溫度在300℃以下,公稱壓力在PN40以下。
(4)由于蝶閥結構長度比較短,且又可以做成大口徑,故在結構長度要求短的場合或是大口徑閥門(如DN1000以上),宜選用蝶閥。
(5)由于蝶閥僅旋轉就能開啟或關閉,因此在啟閉要求快的場合宜選用蝶閥。
安裝注事事項:
1、安裝前應核對蝶閥規格、壓力、溫度、耐腐性是否滿足使用要求。 應檢查各零部件是否損壞或松動。
2、本蝶閥可安裝在任意角度的管道上,應關閉安裝為宜;焊接管道法蘭時應將閥門密封口用板擋住以防止顆粒、雜物挫傷密封面,焊后取下 閥門,對閥門密封面及管道內腔進行清潔,然后再安裝固定閥門。
3、安裝時請注意閥門關閉狀態承壓方向。
4、安裝前應將密封面(兩端密封面、蝶板密封面、閥座密封面)徹底擦干凈,去掉灰塵和污物。
5、安裝前應空試蝶閥,啟閉應靈活,啟閉位置與指針指示位置相符合。
6、手動操作順時針為關,逆時針為開,指針指示到位后不準再加力啟閉閥門。
7、閥門做壓力試驗時,不準用單法蘭進行安裝試壓,采用雙法蘭安裝試壓。其試驗壓力應符合GB/T13927-92標準規定。
8、緊固螺栓時應對稱交替進行緊固,不準依次單獨緊固。
9、限位螺釘出廠前,已經調好,不準輕易調整。若配置驅動裝置為電動、氣動請閱配套驅動裝置說明書。
10、電動蝶閥出廠時已將控制機構的啟閉行程調好。為防止電源接通時方向搞錯,用戶在次接通電源前要先手動開啟到半開位置,再按點動開關,檢查指示盤方向與閥門開啟方向一致即可。
11、發現閥門啟閉失常應查明原因進行修理和排除,防止用加力方法開關閥門,造成閥門的損壞。







