

凸耳式蝸輪軟密封蝶閥
蝶閥概述 D37L1 LT型凸耳式蝸輪軟密封蝶閥是用蝸輪式啟閉件往復回轉90左右來開啟、關閉和調節流體通道的一種閥門。 蝶閥不僅結構簡單、體積...
- 產品詳情
蝶閥概述
D37L1 LT型凸耳式蝸輪軟密封蝶閥是用蝸輪式啟閉件往復回轉90°左右來開啟、關閉和調節流體通道的一種閥門。蝶閥不僅結構簡單、體積小、重里輕、材料耗用省,安裝尺寸小,而且驅動力矩小,操作簡便、迅速,并且還可同時具有良好的流量調節功能和關閉密封特性,是近十幾年來發展快的閥門品種之一。特別是在美、日、德,法、意等工業發達國家,蝶閥的使用非常廣泛,其使用的品種和數量仍在繼續擴大,并向高溫、高壓、大口徑、高密封性、長壽命、***良的調節特性以及一閥多功能方向發展,其可靠性及其他性能指標均達較高水平,并已部分取代截止閥、閘閥和球閥。隨著蝶閥技術的進步,在可以預見的短時間內,特別是在大中型口徑、中低壓力的使用領域,蝶閥將會成為主導的閥門形式。
軟密封蝶閥用途及特點
軟密封蝶閥適用于食品、醫藥、化工、石油、電力、冶金、城建、輕紡、造紙等給排水、氣體管道上作調節流量和截流介質的作用,其主要特點為:1、設計新穎、合理,結構,重量輕,啟閉迅速。
2、操作力矩小,操作方便,省力炅巧。
3、可以任何位置安裝,維修方便。
4、密封件可以更換,密封性能可靠,達到雙向密封零泄漏。
5、密封材料耐老化,耐腐蝕,使用壽命長等特點。
6、結構簡單,通用互換性好,價格低廉。
7、閥桿密封不易變形從而避免了通常的閥桿泄漏現象。整體支撐性好,穩定、牢固。
8、閥座橡膠用量少,膨脹的潛在影響小,容易將扭矩值控制在適當的范圍內采用兩截式閥桿無銷連接,結構簡單緊湊,維修拆卸極為方便。
9、蝶板具有自動對中功能,實現了蝶板與閥座小過盈合量配合。酚醛靠背座具有不脫落、抗拉、防泄漏、更換方便等特點。由于閥座密封面與靠背為一體,從而減小了閥座的變形量。
軟密封蝶閥型號編制說明
| 閥門類型 | 傳動方式 | 連接形式 | 結構形式 | 密封材質 | 公稱壓力 | 閥體材質 |
| D:蝶閥 | 3:蝸輪 | 7L:對夾式單夾式 | 1:中線 | X:橡膠 | -10:PN1.0MPa |
Z:灰鑄鐵 Q:球墨鐵 |
釆用標準
| 設計標準 | GB/T12238-2008、ISO 10631-1994或BS EN593-1998、BS5155、MSS SP-67 |
| 法蘭連接 | GB/T17241.6-2008、JIS B2212-B2214-1999,JIS B2220-2004、JIS B2210-1984、ANSI B 16.5-2009, ANSI B 16.47-2006、ISO 7005-2或BS EN 1092-2002(PN6、PN10、PN16、 Class 125、 Class150、5K、10K、 16K) |
| 結構長度 | GB/T12221 -2005、IS0 5752-1988SBSEN558-1 |
| 壓力試驗 | GB/T13927-2008、JB/T9092-1999、ISO 5028-1993或BS 5755-1-1986 |
| 頂法蘭 | 符合IS05211等標準 |
中線蝶閥的密封原理
中線蝶閥的密封原理為閥板加工時保證其密封面具有合適的表面粗糙度值,合成橡膠閥座在模壓成形時形成密封面合適的表面粗糙度值。閥門關閉時.通過閥板的轉動,閥板的外圓密封面擠壓合成橡晈閥座,使合成橡膠閥座產生彈性變形而形成彈性力作為密封比壓保證閥門的密封。蝶閥所適用的場合
蝶閥適用于流量調節。由于蝶閥在管路中的壓力損失比較大,大約是閘閥的三倍,因此在選擇蝶閥時,應充分考慮管路系統受壓力損失的影晌,還應考慮關閉時蝶板承受管道介質壓力的堅固性。此外,還考慮在髙溫下彈性閥座材料所承受工作溫度的限制。
蝶閥的結構長度和總體高度較小,開啟和關閉速度快,且具有良好的流體控制特性,蝶閥的結構原理適合于制作大口徑閥門。當要求蝶閥作控制流量使用時,重要的是正確選擇蝶閥的尺寸和類型,使之能恰當地、有效地工作。
通常,在節流、調節控制與泥漿介質中,要求結構長度短,啟閉速度快(1/4轉)。低壓截止(壓差小),推薦選用蝶閥。
在雙位調節、縮口的通道、低噪聲、有氣穴和氣化現象,向大氣少量滲漏,具有磨蝕性介質時,可以選用蝶閥。
在特殊工況條件下節流調節,或要求密封嚴格,或磨損嚴重、低溫(深冷)等工況條件下使用蝶閥時,需使用特殊設計金屬密封帶調節裝置的三偏心或雙偏心的專用蝶閥。
中線蝶閥適用于要求達到完全密封、氣體試驗泄漏為零、壽命要求較高、工作溫度在-10~150℃的淡水、污水、海水、鹽水、蒸汽、天然氣、食品、藥品、油品和各種酸臧及其他管路上。
軟密封偏心蝶閥適用于通風除塵管路的雙向啟閉及調節,廣泛用于冶金、輕工、電力、石油化工系統的煤氣管道及水道等。
金屬對金屬線密封雙偏心蝶閥適用于城市供熱、供汽、供水及煤氣、油品、酸堿等管路,作為調節和截流裝置。
金屬對金屬面密封三偏心蝶閥除作為大型變壓吸附(PSA)氣體分離裝置程序控制閥使用外,還可廣泛用于石油、石化、化工、冶金、電力等領域,是閘閥、截止閥等的良好替代產品。
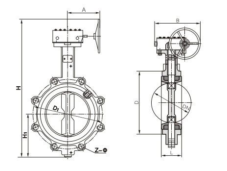
主要外形尺寸
|
公稱通徑 DN(mm) |
外徑 D |
中心距 D1 |
螺栓孔數和孔徑 ZxMφ |
結構長 L |
總高 H |
底座高 H1 |
手柄長 A |
齒盤寬 B |
| 40 | 150 | 110 | 4xM16 | 43 | 306 | 68 | 160 | 125 |
| 50 | 165 | 125 | 4xM16 | 43 | 306 | 68 | 160 | 125 |
| 65 | 185 | 145 | 4xM16 | 46 | 321 | 75 | 160 | 125 |
| 80 | 200 | 160 | 8xM16 | 46 | 346 | 85 | 160 | 125 |
| 100 | 220 | 180 | 8xM16 | 52 | 386 | 105 | 160 | 125 |
| 125 | 250 | 210 | 8xM16 | 56 | 411 | 120 | 160 | 125 |
| 150 | 285 | 240 | 8xM20 | 56 | 446 | 135 | 160 | 125 |
| 200 | 340 | 295 | 8xM20 | 60 | 570 | 165 | 210 | 165 |
| 250 | 395 | 350 | 12xM20 | 68 | 646 | 206 | 210 | 165 |
| 300 | 445 | 400 | 12xM20 | 78 | 738 | 230 | 210 | 175 |
| 350 | 505 | 460 | 16xM20 | 78 | 761 | 248 | 210 | 175 |
| 400 | 565 | 515 | 16xM24 | 88 | 877 | 289 | 270 | 440 |
| 450 | 615 | 565 | 20xM24 | 108 | 938 | 320 | 270 | 440 |
| 500 | 670 | 620 | 20xM24 | 127 | 993 | 343 | 270 | 440 |
| 600 | 780 | 725 | 20xM27 | 154 | 1131 | 413 | 300 | 535 |
產品外形尺寸圖

蝶閥的選用原則
(1)由于蝶閥相對于閘閥、球閥壓力損失比較大,故適用于壓力損失要求不嚴的管路系統中。
(2)由于蝶閥可以用作流量調節,故在需要進行流童調節的管路中宜于選用。
(3)由于蝶閥的結構和密封材料的限制,不宜用于髙溫、高壓的管路系統。一般工作溫度在300℃以下,公稱壓力在PN40以下。
(4)由于蝶閥結構長度比較短,且又可以做成大口徑,故在結構長度要求短的場合或是大口徑閥門(如DN1000以上),宜選用蝶閥。
(5)由于蝶閥僅旋轉就能開啟或關閉,因此在啟閉要求快的場合宜選用蝶閥。







