

D71J手柄對夾全襯膠蝶閥
產品概述: D71J手柄對夾全 襯膠蝶閥 的閥軸的密封由蝶板與閥座之間的旋轉面加橡膠來控制,采用帶有橡膠密封表面和橡膠包襯蝶板,保證閥軸不與腔內流體介質接觸,嚴密的密封性能,超長的使用壽命,可作快速切斷或調節流量之用,適用于要求可靠密封和良好調節...
- 產品詳情
產品概述:
D71J手柄對夾全襯膠蝶閥的閥軸的密封由蝶板與閥座之間的旋轉面加橡膠來控制,采用帶有橡膠密封表面和橡膠包襯蝶板,保證閥軸不與腔內流體介質接觸,嚴密的密封性能,的使用壽命,可作快速切斷或調節流量之用,適用于要求可靠密封和良好調節特性的場合。
主要特點:
1. 軟密封,低扭矩,流量大;
2. 密封表面和蝶板為橡膠包襯,保證閥軸不與腔內流體介質接觸更耐腐蝕;
3. 閥座鑲在有彈性條的閥體的槽內;
4. 軸頭、蝶板園周連接處的特殊過渡曲線與閥座的合理過盈; 具有雙向密封功能,保證了閥門內、外的零泄漏;
檢驗與標準:
主要零部件材料
D71J手柄對夾全襯膠蝶閥的閥軸的密封由蝶板與閥座之間的旋轉面加橡膠來控制,采用帶有橡膠密封表面和橡膠包襯蝶板,保證閥軸不與腔內流體介質接觸,嚴密的密封性能,的使用壽命,可作快速切斷或調節流量之用,適用于要求可靠密封和良好調節特性的場合。
主要特點:
1. 軟密封,低扭矩,流量大;
2. 密封表面和蝶板為橡膠包襯,保證閥軸不與腔內流體介質接觸更耐腐蝕;
3. 閥座鑲在有彈性條的閥體的槽內;
4. 軸頭、蝶板園周連接處的特殊過渡曲線與閥座的合理過盈; 具有雙向密封功能,保證了閥門內、外的零泄漏;
檢驗與標準:
測試襯里層:電火花檢測
試驗與檢驗按GB/T13927標準
公稱壓力:PN(MPa)
閥體:PN×1.5
密封:PN×1.1
設計與制造:GB12238
結構長度:GB12221(20系列)
法蘭連接尺寸:GB4216
主要用途:
| 密封圈材料代號 | 適用溫度 | 適用介質 |
| NR | ≤85℃ | 水、空氣、酸堿類 |
| CR | ≤85℃ | 水、煤氣、酸堿類 |
| NBR | ≤100℃ | 水、油品 |
| EPDM | ≤120℃ | 水、蒸汽、一般酸堿類 |
| FKM | ≤150℃ | 水、蒸汽、強酸堿類 |
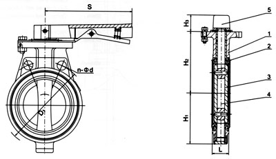
主要零部件材料
| 1 | 閥體 | 鑄鐵、球墨鑄鐵、碳鋼、不銹鋼 |
| 2 | 蝶板 | 鑄鐵、球墨鑄鐵、碳鋼、不銹鋼、碳鋼完全包覆橡膠或氟塑料 |
| 3 | 閥桿 | 碳鋼鍍鎳磷、不銹鋼 |
| 4 | 閥座密封圈 | 天然膠NR、氯丁膠CR、丁腈膠NBR、三元乙丙膠EPDM、氟橡膠FKM |
| 5 | 手柄 | 鋁合金、碳鋼 |
主要連接尺寸:

|
公稱通徑 DN |
公稱壓力 MPa |
工作壓力 MPa |
L | D | D1 | n-Φd | H1 | H2 | S | H3 | 質量 |
| 40 |
1.6 1.0 |
1.6 1.0 |
33 | 150 | 110 | 4-18 | 55 | 100 | 235 | 27 | 2 |
| 50 | 43 | 165 | 125 | 4-18 | 64 | 120 | 235 | 27 | 2.5 | ||
| 65 | 46 | 185 | 145 | 4-18 | 80 | 120 | 235 | 27 | 4.5 | ||
| 80 | 46 | 200 | 160 | 8-18 | 112 | 130 | 265 | 27 | 5.5 | ||
| 100 | 52 | 220 | 180 | 8-18 | 90 | 145 | 265 | 27 | 6.5 | ||
| 125 | 56 | 250 | 210 | 8-18 | 112 | 160 | 365 | 32 | 11.5 | ||
| 150 | 56 | 285 | 240 | 8-22 | 135 | 175 | 365 | 32 | 13.5 |
注:襯膠閥耐腐蝕情況參考襯橡膠閥門、襯塑料閥門各種化工介質耐腐蝕性能表。

聲明:本文中所有文字、數據、圖片均只適用于參考,D71J手柄對夾全襯膠蝶閥性能參數、結構尺寸參數、價格等詳情,請聯系我們,電話:021-80392609。






