

D373Y、D373H型鑄鋼對夾式硬密封蝶閥PN10~PN40
產品說明: D373Y、D373H 型 對夾式 硬密封蝶閥 PN10~PN40采用精密的J形彈性密封圈和三偏心多層次金屬硬密封結構,被廣泛用于介質溫度425℃的治金、電力、石油化工、以及給排水和市政建設等工業管道上,作調節流量和載斷流體使用。 產品特點: 1、對夾式硬密...
產品型號:D373Y、D373H
產品口徑(DN):50~1200(mm)
產品壓力(PN):1.0~4.0(Mpa)
更新日期:2015-05-22
24小時免費咨詢電話021-80392609
- 產品詳情
產品說明:
D373Y、D373H 型 對夾式硬密封蝶閥PN10~PN40采用精密的J形彈性密封圈和三偏心多層次金屬硬密封結構,被廣泛用于介質溫度≤425℃的治金、電力、石油化工、以及給排水和市政建設等工業管道上,作調節流量和載斷流體使用。產品特點:
1、對夾式硬密封蝶閥采用三偏心密封結構,閥座與蝶板幾乎無磨損,具有越觀越緊的密封功能; 2、密封圈選用不銹鋼制作,具有金屬硬密封和彈性密封的雙重***點,無論在低溫和高溫的情況下,均具有***良的密封性能,具有耐腐蝕,使用壽命長等特點;3、大規格蝶板采用絎架結構,強度高,過流面積大,流阻小;
4、蝶板密封面采用堆焊鈷基硬質合金,密封面耐磨損,使用壽命長;
5、對夾式硬密封蝶閥具有雙向密封功能,安裝時不受介質流向的限制,也不受空間位置的影響,可在任何方向安裝 6、驅動裝置可以多工位(旋轉90°或180°)安裝,便于用戶使用
產品性能參數:
| 型號 |
D373H-10C~40 D373Y-10C~40 |
D373H-10P~40 D373Y-10P~40 |
|
| 工作壓力(MPa) | 1.0~4.0 | ||
| 適用溫度(℃) | ≤300 | ||
| 適用介質 | 水、油品、蒸汽等 | ||
| 材料 | 閥體、蝶板 | 鑄鋼 | 奧氏體不銹鋼 |
| 閥桿 | 40Cr | 奧氏體不銹鋼 | |
| 密封面配對材料 | 不銹鋼/不銹鋼 | 不銹鋼/司太立 | |
| 填料 | 柔性石墨 | 聚四氟乙烯 | |
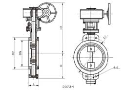
產品外形結構連接尺寸:
| 公稱通徑 | 結構長度 | 外形尺寸 | 連接長度 | |||||||||||||
| H | D373H D373Y | 0.6MPa | 1.0MPa | |||||||||||||
| mm | Inch | L | H1 | A1 | B1 | H2 | A2 | B2 | H3 | A3 | B3 | D1 | Z-d | D1 | Z-d | |
| 50 | 2 | 43 | 112 | 350 | 180 | 200 | 625 | 245 | 72 | 530 | 250 | 255 | 110 | 4-14 | 125 | 4-18 |
| 65 | 2 2/1 | 46 | 115 | 370 | 180 | 200 | 625 | 245 | 72 | 530 | 250 | 255 | 130 | 4-14 | 145 | 4-18 |
| 80 | 3 | 49 | 120 | 380 | 180 | 200 | 645 | 245 | 72 | 565 | 250 | 255 | 150 | 4-18 | 160 | 8-18 |
| 100 | 4 | 56 | 138 | 420 | 180 | 200 | 675 | 355 | 92 | 600 | 250 | 255 | 170 | 4-18 | 180 | 8-18 |
| 125 | 5 | 64 | 164 | 460 | 180 | 200 | 715 | 355 | 92 | 640 | 250 | 255 | 200 | 8-18 | 210 | 8-18 |
| 150 | 6 | 70 | 175 | 555 | 270 | 280 | 800 | 355 | 92 | 705 | 300 | 315 | 225 | 8-18 | 240 | 8-22 |
| 200 | 8 | 71 | 208 | 605 | 270 | 280 | 850 | 250 | 170 | 775 | 300 | 315 | 280 | 8-18 | 295 | 8-22 |
| 250 | 10 | 76 | 243 | 680 | 270 | 280 | 925 | 250 | 170 | 945 | 300 | 315 | 335 | 12-18 | 350 | 12-22 |
| 300 | 12 | 83 | 283 | 800 | 380 | 420 | 1035 | 450 | 200 | 1070 | 300 | 315 | 395 | 12-22 | 400 | 12-22 |
| 350 | 14 | 92 | 310 | 835 | 380 | 420 | 1070 | 450 | 220 | 1140 | 300 | 315 | 445 | 12-22 | 560 | 16-22 |
| 400 | 16 | 102 | 340 | 915 | 450 | 470 | 1190 | 450 | 220 | 1210 | 300 | 315 | 495 | 16-22 | 515 | 16-26 |
| 450 | 18 | 114 | 380 | 960 | 480 | 490 | 1250 | 650 | 280 | 1335 | 575 | 714 | 550 | 16-22 | 565 | 20-26 |
| 500 | 20 | 127 | 410 | 1020 | 480 | 490 | 1290 | 650 | 280 | 1415 | 575 | 714 | 600 | 20-22 | 620 | 20-26 |
| 600 | 24 | 154 | 470 | 1225 | 480 | 490 | 1455 | 850 | 380 | 1605 | 656 | 810 | 705 | 20-26 | 725 | 20-30 |
| 700 | 28 | 165 | 550 | 1355 | 640 | 660 | 1585 | 850 | 380 | 1844 | 656 | 810 | 810 | 24-26 | 840 | 24-30 |
| 800 | 32 | 190 | 640 | 1470 | 640 | 660 | 1700 | 1250 | 380 | 2040 | 656 | 810 | 920 | 24-30 | 950 | 24-33 |
| 900 | 36 | 203 | 710 | 1545 | 750 | 860 | 1965 | 1250 | 380 | 2255 | 785 | 863 | 1020 | 24-30 | 1050 | 28-33 |
| 1000 | 40 | 216 | 770 | 1795 | 850 | 900 | 2015 | 1250 | 380 | 2380 | 785 | 863 | 1120 | 28-30 | 1160 | 28-36 |
| 1200 | 48 | 254 | 890 | 1965 | 850 | 900 | 2250 | 1250 | 380 | 2640 | 785 | 863 | 1340 | 32-33 | 1380 | 32-39 |
產品結構尺寸圖:

安裝注事事項:
1、安裝前應核對蝶閥規格、壓力、溫度、耐腐性是否滿足使用要求。 應檢查各零部件是否損壞或松動。
2、本蝶閥可安裝在任意角度的管道上,應關閉安裝為宜;焊接管道法蘭時應將閥門密封口用板擋住以防止顆粒、雜物挫傷密封面,焊后取下 閥門,對閥門密封面及管道內腔進行清潔,然后再安裝固定閥門。
3、安裝時請注意閥門關閉狀態承壓方向。
4、安裝前應將密封面(兩端密封面、蝶板密封面、閥座密封面)徹底擦干凈,去掉灰塵和污物。
5、安裝前應空試蝶閥,啟閉應靈活,啟閉位置與指針指示位置相符合。
6、手動操作順時針為關,逆時針為開,指針指示到位后不準再加力啟閉閥門。
7、閥門做壓力試驗時,不準用單法蘭進行安裝試壓,采用雙法蘭安裝試壓。其試驗壓力應符合GB/T13927-92標準規定。
8、緊固螺栓時應對稱交替進行緊固,不準依次單獨緊固。
9、限位螺釘出廠前,已經調好,不準輕易調整。若配置驅動裝置為電動、氣動請閱配套驅動裝置說明書。
10、電動蝶閥出廠時已將控制機構的啟閉行程調好。為防止電源接通時方向搞錯,用戶在次接通電源前要先手動開啟到半開位置,再按點動開關,檢查指示盤方向與閥門開啟方向一致即可。
11、發現閥門啟閉失常應查明原因進行修理和排除,防止用加力方法開關閥門,造成閥門的損壞。







