

D971F-16Q電動開關型四氟密封蝶閥
產品概述 工開牌D971F-16Q電動開關型四氟密封蝶閥由精小型角行程電動執行機構和直通鑄造蝶閥閥體組成,電動執行器具有功能強,體積小,輕便宜人,性能可靠,配套簡單。 電動蝶閥 閥體流通能力大,對常溫、干凈介質,可選用閥板加軟密封(橡膠圈、四氟圈)來減...
產品型號:D971F-16Q
產品口徑(DN):50~1200(mm)
產品壓力(PN):1.0、1.6Mpa(Mpa)
更新日期:2016-03-19
免費詢價
24小時免費咨詢電話021-80392609
- 產品詳情
產品概述
工開牌D971F-16Q電動開關型四氟密封蝶閥由精小型角行程電動執行機構和直通鑄造蝶閥閥體組成,電動執行器具有功能強,體積小,輕便宜人,性能可靠,配套簡單。電動蝶閥閥體流通能力大,對常溫、干凈介質,可選用閥板加軟密封(橡膠圈、四氟圈)來減少泄漏(可達零泄露),高溫高壓工況可選用三偏心硬密封結構,采用一個“U”型不銹鋼密封圈,該精密的彈性密封圈與經過拋光的蝶板三維偏心接觸。 解決了傳統偏心蝶閥在啟閉0°~10°瞬間密封面仍處于滑動接觸摩擦的弊病,實現蝶板在開啟瞬間密封面即分離,關閉接觸即密封的效果,達到延長使用壽命、 密封性能的目的。因此電動開關蝶閥被廣泛地應用到介質溫度≤550℃的冶金、電力、石油、化工、空氣、煤氣、可燃氣體以及給排水等腐蝕性介質的管道 上,是截斷流體的裝置。
主要技術參數
1、閥體
| 閥體形式 | 直通鑄造閥 |
|---|---|
| 公稱通徑 | DN50~1200mm |
| 公稱壓力 | PN1.0、1.6、2.5MPa |
| 法蘭標準 | GB/T9113、 JB/T79、HG20594及其他標準 |
| 連接形式 | 法蘭式、對夾式 |
| 閥蓋形式 | 一體式 |
| 壓蓋型式 | 壓板壓緊式 |
| 密封填料 | V型聚四氟乙烯填料、含浸聚四氟乙烯填料、石棉編織填料、柔性石墨 |
2、閥內件
| 閥芯形式 | "蝶"型垂直板式 |
|---|---|
| 流量特性 | 近似等百分比 |
| 閥芯材料 | 鑄鋼、不銹鋼(CF8、CF8M、CF3、CF3M) |
3、執行器
| 執行器型號 | CHR、3810R、DZW、HQ、PSQ電動執行機構 |
|---|---|
| 主要技術參數 | 電源電壓:220V/50Hz、380V/50Hz、輸入信號:4-20mA或1-5V·DC、輸出信號:4-20mA·DC |
| 防護等級:相當IP65(或IP67)、隔爆標志:ExdⅡBT4、手操功能:手柄 | |
| 環境溫度:-25~+70℃、環境濕度:≤95% |
執行器參數及特點
| 電源電壓 | AC220/380V,50/60Hz |
|---|---|
| 輸出力矩 | 50N·M~2000N·M |
| 動作范圍 | 0~90° 0~360° |
| 動作時間 | 15秒/30秒/60秒 |
| 保護裝置 | 過熱保護 |
| 環境溫度 | -30°~60° |
| 手動操作 | 同附帶手柄操作 |
| 限位 | 電氣、機械二重限位 |
| 防護等級 | 相當于IP-65 |
| 防爆等級 | ExdII BT4;特殊要求可定制ExdII BT6 |
| 位置測量 | 可選裝開關或電位計 |
| 驅動電機 | 8W/E |
| 進線接口 | PE1/2〞進線線鎖 |
|
電動蝶閥執行器特點:
1.功能強勁:智能型、調節型、開關式。 2.體積小巧:體積僅相當于同類產品的35%左右。 3.使用方便:采用單相電源,接線簡單;采用的球型凸出結構,使觀察更方便;免加油免點檢、防水防銹、任意角度安裝。 4.保護裝置有雙重限位、過熱保護、過載保護。全行程時間15秒、30秒、45秒、60秒。及帶手動功能。 5.智能數控:內置模塊采用計算機單片及智能控制軟件直接接收計算機或工業儀表等輸出的標準信號(4-20mA DC /1-5VDC)實現閥門開度的智能控制和精確定位。
|
|
主要零件材料
| 零件名稱 | 材料 |
|---|---|
| 閥體 | 球墨鑄鋼、鑄鋼、合金鋼、不銹鋼 |
| 蝶板 | 灰鑄鐵、球墨鑄鋼、鑄鋼、不銹鋼及特殊材料 |
| 密封圈 | 各種橡膠、聚四氟、不銹鋼 |
| 閥桿 | 2Cr13、不銹鋼 |
| 填料 | O型圈、柔性石墨 |
主要性能規范
| 公稱通徑DN(mm) | DN50~1200 | ||||
|---|---|---|---|---|---|
| 公稱壓力 | PN(MPa) | 0.6 | 1.0 | 1.6 | 2.5 |
| 試驗壓力 | 強度試驗 | 0.9 | 1.5 | 2.4 | 3.75 |
| 密封試驗 | 0.66 | 1.1 | 1.76 | 2.75 | |
| 低壓氣密試驗 | 0.5~0.7 | ||||
| 適用介質 | 空氣、水、污水、蒸氣、煤氣、油品等 | ||||
| 適用溫度 | 碳鋼:-29℃~600℃ 不銹鋼:-40℃~600℃ | ||||
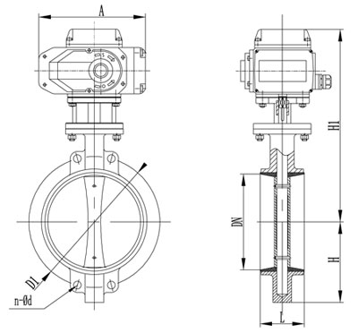
主要外形尺寸

|
公稱通經 (DN) |
主要尺寸 | 法蘭尺寸 | |||||||
|---|---|---|---|---|---|---|---|---|---|
| L | H | H1 | 1.0MPa | 1.6MPa | |||||
| D | D1 | n-Фd | D | D1 | n-Фd | ||||
| 50 | 43 | 63 | 530 | 165 | 125 | 4-18 | 165 | 125 | 4-18 |
| 65 | 46 | 70 | 530 | 185 | 145 | 4-18 | 185 | 145 | 4-18 |
| 80 | 46 | 83 | 565 | 200 | 160 | 4-18 | 200 | 160 | 8-18 |
| 100 | 52 | 105 | 600 | 220 | 180 | 8-18 | 220 | 180 | 8-18 |
| 125 | 56 | 115 | 640 | 250 | 210 | 8-18 | 250 | 210 | 8-18 |
| 150 | 56 | 137 | 705 | 285 | 240 | 8-22 | 285 | 240 | 8-22 |
| 200 | 60 | 164 | 775 | 340 | 295 | 8-22 | 340 | 295 | 12-22 |
| 250 | 68 | 206 | 945 | 395 | 350 | 12-22 | 405 | 355 | 12-26 |
| 300 | 78 | 230 | 1070 | 445 | 400 | 12-22 | 460 | 410 | 12-26 |
| 350 | 78 | 248 | 1140 | 505 | 460 | 16-22 | 520 | 470 | 12-26 |
| 400 | 102 | 289 | 1210 | 565 | 515 | 16-26 | 580 | 525 | 16-26 |
| 450 | 114 | 320 | 1335 | 615 | 565 | 20-26 | 640 | 585 | 16-30 |
| 500 | 127 | 342 | 1415 | 670 | 620 | 20-26 | 715 | 650 | 20-30 |
| 600 | 154 | 413 | 1605 | 780 | 725 | 20-30 | 840 | 770 | 20-33 |
| 700 | 165 | 478 | 1844 | 895 | 840 | 24-30 | 910 | 840 | 24-36 |
| 800 | 190 | 525 | 2040 | 1015 | 950 | 24-33 | 1025 | 950 | 24-39 |
| 900 | 203 | 585 | 2255 | 1115 | 1050 | 28-33 | 1125 | 1050 | 28-39 |
| 1000 | 216 | 640 | 2380 | 1230 | 1160 | 28-36 | 1255 | 1170 | 28-42 |
| 1200 | 254 | 755 | 2640 | 1455 | 1380 | 32-39 | 1485 | 1390 | 32-48 |
注:表中尺寸為不帶標準附件數據。另由于產品改進技術創新參數可能有一定變化,請咨詢公司技術部門索取數據。

聲明:本文中所有文字、數據、圖片均只適用于參考,D971F-16Q電動開關型四氟密封蝶閥性能參數、結構尺寸參數、價格等詳情,請聯系我們,電話:021-80392609。






