

XD371X型對夾式信號蝶閥/對夾信號蝶閥
產品說明: XD371X型對夾式信號蝶閥PN10~PN16適用于消防系統中控制閥門,要求常開的場合,當閥門開或關到指定位置時,閥門上的信號裝置便可發出信號送至消防檢測中心可以顯示出蝶閥開啟或關閉,以防止閥門誤關閉而影響自動噴水滅火功能。 產品性能參數: XD37...
- 產品詳情
XD371X型對夾式信號蝶閥PN10~PN16適用于消防系統中控制閥門,要求常開的場合,當閥門開或關到指定位置時,閥門上的信號裝置便可發出信號送到消防檢測中心可以顯示出蝶閥開啟或關閉,以防止閥門誤關閉而影響自動噴水滅火功能。
產品性能參數:
| 型號 | XD371X-10 | XD371X-16 | |
| 工作壓力(MPa) | 1.0 | 1.6 | |
| 適用溫度(℃) | ≤65 | ||
| 適用介質 | 水等 | ||
| 材料 | 閥體 | 鑄鐵 | |
| 蝶板 | 球墨鑄鐵(表面尼龍覆層) | ||
| 閥桿 | 鉻不銹鋼 | ||
| 閥座 | 丁晴橡膠 | ||
| 填料 | O形橡膠圈 | ||
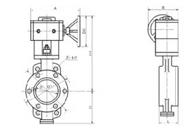
產品外形結構連接尺寸:
| XD71X-10 | ||||||||
| 通徑(mm) | L | D | K | n-Фd | H | H1 | W | W1 |
| 50 | 43 | 165 | 125 | 4-Ф18 | 80 | 320 | 266 | 90 |
| 65 | 46 | 185 | 145 | 4-Ф18 | 89 | 330 | 266 | 90 |
| 80 | 46 | 200 | 160 | 8-Ф18 | 95 | 340 | 266 | 90 |
| 100 | 52 | 220 | 180 | 8-Ф18 | 114 | 360 | 266 | 90 |
| 125 | 56 | 250 | 210 | 8-Ф18 | 127 | 380 | 266 | 90 |
| 150 | 56 | 285 | 240 | 8-Ф22 | 139 | 390 | 266 | 90 |
| 200 | 60 | 340 | 295 | 8-Ф22 | 175 | 525 | 125 | 90 |
| 250 | 68 | 395 | 350 | 12-Ф22 | 203 | 555 | 125 | 90 |
| 300 | 78 | 445 | 400 | 12-Ф22 | 242 | 610 | 190 | 90 |
產品結構尺寸圖:

安裝與使用注意事項:
1、信號蝶閥可以安裝在空間任意位置管路上。
2、蝶閥的安裝位置應保證使用、維修和更換的方便。
3、本蝶閥安裝時可以不考慮管路介質流動的方向,即允許雙向流動。
4、蝶閥安裝前應存放在室內干燥處,閥板微開4°~5°。
5、安裝前應進行以下工作:
a、仔細核對使用情況是否與本蝶閥性能規范相符合。
b、清潔內腔和密封面,不允許有污物附著,未清潔前勿啟閉蝶板。
c、檢查傳動裝置是否與蝶閥上法蘭連接可*。
6、蝶閥在管路夾緊時,注意連接力是否均勻可*。
7、蝶閥安裝后,進行管路強度試壓時,閥板處于開啟位置。
8、蝶閥安裝后,應定期檢查,其檢查的主要項目如下:
a、蝶閥閥座及O型密封圈是否損傷。
b、閥板密封面的密封性能。
c、蝶閥檢修裝配后,啟閉旋轉時不得有卡阻現象。
d、蝶閥檢修裝配后,應按要求進行密封性能試驗。
f、每次檢修后,應將情況詳細記錄以備查考。

-

GID-50電動真空蝶閥
GID-50~400電動真空蝶閥 說明書資料介紹: GID-50~400電動真空蝶閥 : 別名真空蝶閥,閥...
-

D671F-10P氣動防爆不銹鋼蝶閥 耐腐蝕酸堿鹽對夾閥門
*** 滬工恒 公稱直徑 50cm 數量 480個 是否支持加工定制 否 是否進口 否 包裝規格 DN5...
-

Play 電動調節型快裝蝶閥 卡盤式食品衛生級開關型閥門
*** 滬工恒 公稱直徑 25cm 數量 300個 是否支持加工定制 是 是否進口 否 包裝規格 DN2...
-

GHQ971X 電動對夾式蝶閥 塑料智能型軟密封閥門
*** 滬工恒 公稱直徑 50cm 數量 500個 是否支持加工定制 是 是否進口 否 包裝規格 DN5...


