

FS46L-1.5型爐頂放散閥
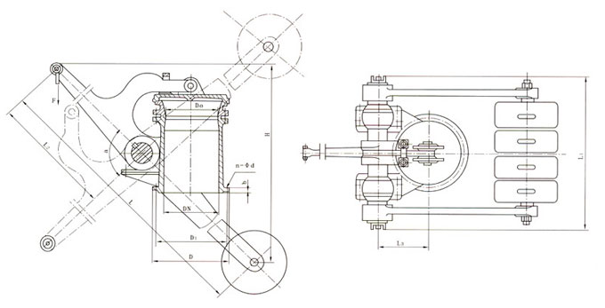
產品概述 FS46L-1.5型爐頂 放散閥 由閥座、閥蓋、下殼、中殼、拉桿等零件組成。它是卷揚式啟閉機控制杠桿系統拉動閥蓋實現閥門的啟閉,本閥具有結構簡單、啟閉靈活、密封性能好、操作方便、工作可靠等特點,主要用于在高爐休風時將爐中的煤氣排放到大氣...
- 產品詳情
產品概述
FS46L-1.5型爐頂放散閥由閥座、閥蓋、下殼、中殼、拉桿等零件組成。它是卷揚式啟閉機控制杠桿系統拉動閥蓋實現閥門的啟閉,本閥具有結構簡單、啟閉靈活、密封性能好、操作方便、工作可靠等特點,主要用于在高爐休風時將爐中的煤氣排放到大氣中,以保證高爐系統的。主要性能參數
公稱壓力:0.15MPa;適用溫度:≤300℃ ≤400℃;適用介質:煤氣、煙氣及其它氣體;主要零件材料
| 零件名稱 | 閥座 | 閥蓋 | 下殼 | 中殼 | 拉桿 | 密封圈 |
| 材料 | 鑄鋼+堆焊硬質耐磨合金 | 鑄鋼+堆焊硬質耐磨合金 | 碳素鋼 | 鑄鋼 | 硬素鋼 | 氟橡膠 |
產品外形結構尺寸
| DN |
PN (Mpa) |
D0 | D | D1 | b | n-φd | L | L1 | L2 | L3 | H | A0 |
F (KN) |
質量 (kg) |
| 250 | 0.15 | 200 | 400 | 350 | 20 | 12-23 | 2400 | 632 | 1100 | 275 | 2100 | 90 | 10 | 800 |
| 300 | 0.15 | 250 | 440 | 395 | 24 | 12-23 | 2500 | 750 | 1100 | 310 | 2200 | 90 | 15 | 1100 |
| 400 | 0.15 | 300 | 565 | 515 | 30 | 16-25 | 2650 | 920 | 1150 | 380 | 2400 | 90 | 20 | 1368 |
| 500 | 0.15 | 400 | 674 | 610 | 32 | 16-26 | 3000 | 920 | 1200 | 420 | 2520 | 90 | 30 | 2484 |
| 550 | 0.07 | 400 | 720 | 660 | 35 | 16-26 | 3200 | 1090 | 1200 | 450 | 2400 | 90 | 40 | 3328 |
| 600 | 0.15 | 400 | 720 | 660 | 35 | 16-26 | 3600 | 1090 | 1200 | 450 | 2400 | 90 | 55 | 4200 |
產品外形結構尺寸圖

聲明:本文中所有文字、數據、圖片均只適用于參考,FS46L-1.5型爐頂放散閥性能參數、結構尺寸參數、價格等詳情,請聯系我們,電話:021-80392609。






