

Q611F氣動三片式內螺紋球閥PN16~PN64
產品概述 Q611F氣動三片式內螺紋球閥PN16~PN64分為整體式、兩段式及三段式。閥體鑄造采用國外引進的工藝,結構合理、造型美觀。閥座采用彈性密封結構,密封可靠,啟閉輕松。閥桿采用倒密封的下裝式結構,閥腔異常升壓時,閥桿不會被沖出。 主要性能參數...
- 產品詳情
產品概述
Q611F氣動三片式內螺紋球閥PN16~PN64分為整體式、兩段式及三段式。閥體鑄造采用國外引進的工藝,結構合理、造型美觀。閥座采用彈性密封結構,密封可靠,啟閉輕松。閥桿采用倒密封的下裝式結構,閥腔異常升壓時,閥桿不會被沖出。主要性能參數
| 公稱通徑DN(mm) | 6-100 | ||||
|---|---|---|---|---|---|
| 材料\材料代號 | C | P | R | ||
| 主要零件 | 閥體 | WCB | CF8 304 | CF8M 316 | |
| 球板 | WCB | CF8 304 | CF8M 316 | ||
| 閥桿 | 2Cr13 | 0Cr18Ni9 | 0Cr17Ni12Mo2 | ||
| 密封圈 | 增強聚四氟乙烯 對位聚笨 | ||||
| 填料 | 聚四氟乙烯 柔性石墨 | ||||
| 適用工況 | 適用介質 | 水、蒸汽、油品 | 硝酸類 | 醋酸類 | |
| 適用溫度 | -28℃~350℃ | ||||
| 執行器 | 型號 | 63系列、SW系列 | |||
| 氣源壓力 | 0.4~0.7MPa | ||||
| 三段式不銹鋼球閥按用戶要求可做成外螺紋連接型卡箍型 | |||||
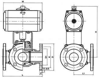
主要結構連接尺寸
| 公稱通徑DN(mm) | 尺 寸(mm) | 執行器型號(63000RA系列) | |||||||||
|---|---|---|---|---|---|---|---|---|---|---|---|
| 三段式 | 對焊式 | 承插焊式 | |||||||||
| G | L | d | L | d | D | L | d | D1 | A | ||
| 6 | 1/4 | 65 | 11.6 | 65 | 11.6 | 18 | 65 | 11.6 | 14.1-14.3 | 9.5 | 50/63RA |
| 10 | 3/8 | 65 | 12.7 | 65 | 12.7 | 18 | 65 | 12.7 | 17.55-17.8 | 9.5 | 50/63RA |
| 15 | 1/2 | 67 | 15 | 67 | 15.8 | 24 | 67 | 15 | 21.7-21.95 | 9.5 | 50/63RA |
| 20 | 3/4 | 82 | 20 | 82 | 20 | 28 | 82 | 20 | 27.05-27.3 | 11.1 | 63/83RA |
| 25 | 1 | 91 | 25 | 91 | 25 | 34 | 91 | 25 | 33.8-34.05 | 12.7 | 63/83RA |
| 32 | 11/4 | 108 | 32 | 108 | 32 | 41 | 108 | 32 | 42.55-42.8 | 14.3 | 63/83RA |
| 40 | 21/2 | 139 | 38 | 129 | 38 | 49 | 129 | 38 | 48.65-48.9 | 15.9 | 83/110RA |
| 50 | 2 | 148 | 50 | 148 | 50 | 62 | 148 | 50 | 61.1-61.35 | 17.4 | 83/110RA |
| 65 | 21/2 | 186 | 64 | 193 | 64 | 78 | 110/127RA | ||||
| 80 | 3 | 206 | 78 | 222 | 78 | 94 | 127/127RA | ||||
| 100 | 4 | 240 | 98 | 273 | 98 | 124 | 127/160RA | ||||
產品外形結構尺寸圖:

氣動球閥的維護:
氣動球閥在安裝前的準備工作:1、保證氣動管路球閥安裝位置管線在同軸位置上,管線上兩片法蘭應保持平行,確認管線能夠承受氣動管路球閥自身重量,如果發現管線不能承受氣動管路球閥重量,則在安裝前為管線配備相應的支撐。
2、確認管線內是否有雜質、焊渣等,要把管線內吹掃干凈。
3、核對氣動管路球閥銘牌,并對氣動管路球閥進行全開全閉數次操作,確認閥門能夠正常工作,再檢查一次閥門的各個細節,保證閥門完好無損。
4、除去閥門兩端的保護蓋,檢查閥體內是否干凈,清洗閥體內腔,由于氣動管路球閥的密封面是球形狀,即使微小的雜物也可能造成密封面的損傷。
氣動管路球閥的安裝:
1、氣動管路球閥的任何一段都可安裝在上游端,手柄氣動管路球閥可以安裝在管線的任何位置,如果配置執行機構(如齒輪箱、電-氣動執行器)的氣動管路球閥,則垂直安裝,閥門進出口處在水平位置上。
2、氣動管路球閥法蘭與管線法蘭間按管路設計要求裝上密封墊。
3、法蘭上的螺栓需對稱、逐次、均勻擰緊。
4、如果氣動管路球閥采取氣動、電動等執行器時,按說明書完成氣源、電源的安裝。
氣動管路球閥安裝后的檢查:
1、安裝完畢后,啟動氣動管路球閥開、關數次,應該動作靈活,受力均勻,氣動管路球閥工作正常。
2、根據管道壓力設計要求,通壓后檢測氣動管路球閥與管道法蘭結合面的密封性能。
聲明:本文中所有文字、數據、圖片均只適用于參考,Q611F氣動三片式內螺紋球閥PN16~PN64性能參數、結構尺寸參數、價格等詳情,請聯系我們,電話:021-80392609。
-

XQ41F-16P手動不銹鋼信號球閥 限位開關調節控制高性能
*** GH/工恒 公稱直徑 15cm 數量 580個 是否支持加工定制 是 是否進口 否 包裝規格 DN...
-

Q641F-100P 電動高壓不銹鋼球閥 導熱油蒸汽高溫耐磨開
*** 滬工恒 公稱直徑 25cm 數量 750個 是否支持加工定制 是 是否進口 否 包裝規格 DN2...
-

Q641F-100P 電動高壓不銹鋼球閥 導熱油蒸汽高溫耐磨開
*** 滬工恒 公稱直徑 25cm 數量 480個 是否支持加工定制 是 是否進口 否 包裝規格 15m...
-

Q641F-16P氣動防爆球閥 高溫高壓蒸汽防爆切斷調節開關
*** 滬工恒 公稱直徑 25cm 數量 400個 是否支持加工定制 是 是否進口 否 包裝規格 DN2...


