

ZRSL電動籠式單座調節閥
產品概述 ZRSL電動籠式單座調節閥是一種壓力平衡調節閥,采用籠式套筒導向、單座密封結構,配用多彈簧執行機構或者電動執行機構,流道呈S流線型,選用進口密封環。整體具 有工作平穩、允許壓差大、流量特性精確噪音低等特點。特 別適用于泄漏量要求嚴格、閥前...
- 產品詳情
產品概述
ZRSL電動籠式單座調節閥是一種壓力平衡調節閥,采用籠式套筒導向、單座密封結構,配用多彈簧執行機構或者電動執行機構,流道呈S流線型,選用進口密封環。整體具 有工作平穩、允許壓差大、流量特性精確噪音低等特點。特 別適用于泄漏量要求嚴格、閥前后壓差較大的工作場合。 本系列產品有常溫型、高溫型、低溫型、調節切斷型、 波紋管密封型等多種型式。產品公稱壓力等級有 PN1.6、4.0 6.4、10.0;閥體口徑范圍 DN20-DN300;適用流體溫度-150℃ -+560℃范圍內多種檔次;泄露等級分為Ⅳ級、Ⅴ級、Ⅵ級; 流量特性有直線、等百分比。多種規格可供選擇。 本系列調節閥采用模塊化設計,可采用不同組合、配用各種附件。主要技術參數
| 閥體部分 | |
|---|---|
| 閥體形式 | 直通鑄造球型閥 |
| 閥體材質 | ZG230-450 ZG1Cr18Ni9 |
| 公稱通徑 | DN20-DN300 |
| 公稱壓力 |
PN1.6 2.5 4.0 6.4 10.0MPa ANSI 150 300 600LB JIS 10K 20K 30K 40K |
| 連接形式 | 法蘭:FF RF RTJ等 螺紋:適用于 1”以下 焊接:SW BW |
| 結構長度 | 符合 IEC534 |
| 閥蓋型式 | 常溫型 高溫型 波紋管密封型 低溫型 |
| 填料 | 聚四氟乙烯 柔性石墨等 |
| 密封墊 | 金屬夾石墨密封墊 四氟乙烯墊等 閥內部件 |
| 閥芯型式 | 單座柱塞型 |
| 流量特性 | 線性 等百分比 |
| 內件材質 | 1Cr18Ni9Ti 1Cr18Ni9Ti+PTFE |
| 執行機構 | |
| 氣動 | 多彈簧式執行機構 單彈簧式執行機構 |
| 作用方式 | 氣開式 氣關式 |
| 電動 | 3810L系列 |
主要零件材料及內部結構

| 本體材質為碳鋼 | ||||
|---|---|---|---|---|
| 1 | 閥體 | WCB | LCB | WC9 |
| 2 | 閥座 | 304 | 304 | 304 |
| 3 | 閥芯 | 304 | 304 | 304 |
| 4 | 導向套 | 304 | 304 | 304 |
| 5 | 閥蓋 | WCB | LCB | WC9 |
| 6 | 閥桿 | 304 | 304 | 304 |
| 7 | 填料 | PTFE/柔性石墨 | ||
| 8 | 彈簧 | 65Mn | ||
| 9 | 螺母 | 304 | 304 | 304 |
| 本體材質為不銹鋼 | ||||
| 1 | 閥體 | CF8 | CF8M | CF3M |
| 2 | 閥座 | 304 | 316 | 316L |
| 3 | 閥芯 | 304 | 316 | 316L |
| 4 | 導向套 | 304 | 316 | 316L |
| 5 | 閥蓋 | CF8 | CF8M | CF3M |
| 6 | 閥桿 | 304 | 316 | 316L |
| 7 | 填料 | PTFE/柔性石墨 | ||
| 8 | 彈簧 | 65Mn | ||
| 9 | 螺母 | 304 | 316 | 316L |
閥蓋型式

電動調節閥規格與技術參數
| 公稱通徑 DN(mm) | 20 | 25 | 32 | 40 | 50 | 65 | 80 | 100 | 125 | 150 | 200 | 250 | 300 | |
|
額定流 量系數 (KV) |
直線 | 6.9 | 11 | 17.6 | 27.5 | 44 | 69 | 110 | 176 | 275 | 440 | 690 | 1100 | 1760 |
|
等百 分比 |
||||||||||||||
| 6.3 | 10 | 16 | 25 | 40 | 63 | 100 | 160 | 250 | 400 | 630 | 1000 | 1600 | ||
| 額定行程 L(mm) | 16 | 25 | 40 | 60 | 100 | |||||||||
| 公稱壓力 PN(MPa) | 1.6 2.5 4.0 6.4 10.0 | |||||||||||||
|
執行機 構型號 |
PSL | 201/202 | 204 | 208 | 312 | 320 | ||||||||
| 3810L | 3810LSA-08 | 3810LSA-20 | 3810LSB-30 | 3810LSB-50 | 3810LSC-65 | |||||||||
| 固有流量特性 | 直線、等百分比 | |||||||||||||
| 固有可調比 | 50:01:00 | |||||||||||||
| 工作溫度 t(℃) | 普通型:鑄鋼-40-250;鑄不銹鋼-60-250 散熱型:鑄鋼-40-450;鑄不銹鋼-60-450 | |||||||||||||
| 輸入信號 | 0-10mADC、4-20mADC、220VAC(開關信號) | |||||||||||||
| 電源電壓 | 220VAC 50Hz | |||||||||||||
流量特性

|
行程 流量特性 |
0 | 10 | 20 | 30 | 40 | 50 | 60 | 70 | 80 | 90 | 100 |
| 線性 | 2 | 11.8 | 21.6 | 31.4 | 41.2 | 51 | 61 | 40.5 | 80.6 | 90.7 | 100 |
| 等百分比 | 2 | 3 | 4.42 | 6.3 | 9.5 | 14.2 | 21.1 | 30.8 | 45.7 | 67.8 | 100 |
允許壓差
|
執行機構 型號 |
輸出推力 (KN) |
閥座直徑 dn(mm) | ||||||||||
| 20 | 25 | 32 | 40 | 50 | 65 | 80 | 100 | 125 | 150 | 200 | ||
| 3810LSA-08 | 0.8 | 2.38 | 1.52 | 0.93 | 0.59 | 0.38 | ||||||
| 1.91 | 1.22 | 0.74 | 0.47 | 0.3 | ||||||||
| 3810LSA-20 | 2 | 4.77 | 3.05 | 1.86 | 1.19 | 0.76 | 0.45 | |||||
| 3.82 | 2.44 | 1.49 | 0.95 | 0.61 | 0.36 | |||||||
| 3810LSB-30 | 3 | 2.79 | 1.79 | 1.14 | 0.67 | 1.21 | 0.28 | 0.18 | 0.12 | 0.03 | ||
| 2.23 | 1.43 | 0.91 | 0.54 | 0.96 | 0.22 | 0.14 | 0.1 | 0.02 | ||||
| 3810LSB-50 | 5 | 4.66 | 2.98 | 1.91 | 1.13 | 1.51 | 0.47 | 0.3 | 0.21 | 0.08 | ||
| 3.73 | 2.38 | 1.52 | 0.9 | 1.2 | 0.38 | 0.24 | 0.16 | 0.06 | ||||
| 3810LSC-65 | 6.5 | 1.35 | 2.34 | 0.57 | 0.36 | 0.25 | 0.11 | |||||
| 1.08 | 1.87 | 0.45 | 0.29 | 0.2 | 0.08 | |||||||
| 3810LSC-99 | 10 | 2.26 | 2.92 | 0.95 | 0.61 | 0.42 | 0.2 | |||||
| 1.8 | 2.33 | 0.76 | 0.48 | 0.33 | 0.15 | |||||||
| 3810LSC-160 | 16 | 0.97 | 0.67 | 0.35 | ||||||||
| 0.78 | 0.54 | 0.27 | ||||||||||
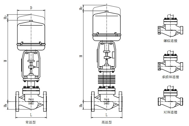
配電動執行機構外形尺寸(常溫型、高溫型)
| 公稱通徑(DN) | 20 | 25 | 32 | 40 | 50 | 65 | 80 | 100 | 125 | 150 | 200 | 250 | 300 | |
|
結構長度 (L) |
PN16/25 | 185 | 200 | 205 | 222 | 250 | 276 | 298 | 350 | 410 | 451 | 600 | 670 | 735 |
| PN40 | 190 | 205 | 210 | 230 | 255 | 285 | 310 | 355 | 425 | 460 | 615 | 685 | 750 | |
| PN64、100 | 200 | 210 | 220 | 251 | 286 | 311 | 337 | 394 | 440 | 475 | 630 | 700 | 765 | |
|
常溫型 (H) |
PN16/25 | 756 | 781 | 803 | 928 | 945 | 1260 | 1270 | 1294 | 1515 | 1540 | 1565 | 1816 | 1512 |
| PN40 | 766 | 791 | 813 | 938 | 955 | 1260 | 1270 | 1329 | 1545 | 1560 | 1605 | 1892 | 1565 | |
| PN64/100 | 773 | 803 | 833 | 965 | 1000 | 1280 | 1300 | 1338 | 1575 | 1620 | 1675 | 1936 | 1605 | |
|
高溫型 (H) |
PN16/25 | 956 | 981 | 1003 | 1128 | 1145 | 1510 | 1520 | 1544 | 1835 | 1860 | 1885 | 2166 | 1670 |
| PN40 | 966 | 991 | 1013 | 1138 | 1155 | 1510 | 1520 | 1579 | 1865 | 1880 | 1925 | 2245 | 1690 | |
| PN64/100 | 973 | 1003 | 1033 | 1165 | 1200 | 1530 | 1550 | 1588 | 1895 | 1940 | 1995 | 2286 | 1720 | |
| H1 | PN16/25 | 53 | 58 | 68 | 73 | 80 | 90 | 98 | 108 | 123 | 140 | 168 | 203 | 230 |
| PN40 | 53 | 58 | 68 | 73 | 80 | 90 | 98 | 115 | 135 | 150 | 188 | 223 | 255 | |
| PN64/100 | 63 | 68 | 75 | 83 | 88 | 100 | 105 | 125 | 148 | 170 | 203 | 235 | 265 | |
| H2 | 87 | 90 | ||||||||||||
| D | 225 | |||||||||||||
| 壓力等級 | GB:1.6、2.5、4.0、6.4、10.0MPa ANSI:150、300、600LB JIS:10、20、30、40K | |||||||||||||
| 執行機構 | PSL 系列、3810 系列、DKJ 或 DKZ 系列等 | |||||||||||||
產品外形結構尺寸圖


聲明:本文中所有文字、數據、圖片均只適用于參考,ZRSL電動籠式單座調節閥性能參數、結構尺寸參數、價格等詳情,請聯系我們,電話:021-80392609。
-

不銹鋼電動調節針閥 高精度小口徑小流量 高壓智能防爆
參數 名稱: 調節型電動針型閥 電壓: 24V/220V/380V 公稱通徑: DN8mm-DN20 ; 公稱壓力:...
-

GHJ991W-16P電動針型調節閥 不銹鋼卡套連接信號輸
*** 滬工恒 公稱直徑 6cm 數量 560個 是否支持加工定制 是 是否進口 否 包裝規格 DN6 ...
-

微型電動球閥 不銹鋼內螺紋 絲扣微型閥 小型調節球形
*** 滬工恒 公稱直徑 15cm 數量 450個 是否支持加工定制 是 是否進口 否 包裝規格 DN1...
-

GHY43F衛生級快裝式減壓閥 不銹鋼卡盤卡箍卡套閥
*** 滬工恒 數量 580個 是否支持加工定制 是 是否進口 否 包裝規格 DN40-DN50 產地 蘇...


