

ZJSF(H)氣動薄膜三通分(合)流調節閥
產品概述 ZJSF(H)氣動薄膜三通分(合)流 調節閥 采用雙閥芯上下導 向結構,配用氣動執行機構或者電動執行機構機構,閥體為三 通結構,即一進兩出(分流型),兩進一出(合流型),從而達 到流體混合升溫或降溫,或流體不等量分流,滿足不同工礦的 使用要求...
產品型號:ZJSF、ZJSH
產品口徑(DN):20~300(mm)
產品壓力(PN):1.6~10.0(Mpa)
更新日期:2018-08-27
免費詢價
24小時免費咨詢電話021-80392609
- 產品詳情
產品概述
ZJSF(H)氣動薄膜三通分(合)流調節閥采用雙閥芯上下導 向結構,配用氣動執行機構或者電動執行機構機構,閥體為三 通結構,即一進兩出(分流型),兩進一出(合流型),從而達 到流體混合升溫或降溫,或流體不等量分流,滿足不同工礦的 使用要求。該閥體具有結構緊湊、重量輕、動作靈敏、壓降損 失小、閥容量大、流量特性精確和維修方便等***點。可用于各 種不同的工作條件,特別適用于石油工業熱交換器的溫度控制 系統和其他的各行業的自動化控制系統。 本系列產品有常溫型、高溫型、低溫型、調節切斷型、波 紋管密封型等多種型式。產品公稱壓力等級有 PN1.6、4.0 6.4; 閥體口徑范圍 DN20-DN300;適用流體溫度-150℃-+560℃范圍 內多種檔次;泄露等級氛分為Ⅳ級、Ⅴ級、Ⅵ級;流量特性有 直線、等百分比。多種規格可供選擇。 本系列調節閥采用模塊化設計,可采用不同組合、配用 各種附件。主要技術參數
| 本體部分 | |
|---|---|
| 閥體形式 | 三通鑄造球型閥 |
| 閥體材質 | ZG230-450 ZG1Cr18Ni9 |
| 公稱通徑 | DN20-DN300 |
| 公稱壓力 |
PN1.6 2.5 4.0 6.4 10.0MPa ANSI 150 300 600LB JIS 10K 20K 30K 40K |
| 連接形式 | 法蘭:FF RF RTJ 等 焊接:SW BW |
| 結構長度 | 符合 IEC534 |
| 閥蓋型式 | 常溫型 高溫型 波紋管密封型 低溫型 |
| 填料 | 聚四氟乙烯 柔性石墨等 |
| 密封墊 | 金屬夾石墨密封墊 四氟乙烯墊等 |
| 閥內部件 | |
| 閥芯型式 | 雙閥芯上下導向型 |
| 流量特性 | 線性 等百分比 |
| 內件材質 | 1Cr18Ni9Ti 1Cr18Ni9Ti+PTFE |
| 執行機構 | |
| 電動 | PSL系列 3810L系列 |
主要零件材料及內部結構

| 本體材質為碳鋼 | ||||
|---|---|---|---|---|
| 1 | 閥體 | WCB | LCB | WC9 |
| 2 | 閥座 | 304 | 304 | 304 |
| 3 | 閥芯 | 304 | 304 | 304 |
| 4 | 導向套 | 304 | 304 | 304 |
| 5 | 閥蓋 | WCB | LCB | WC9 |
| 6 | 閥桿 | 304 | 304 | 304 |
| 7 | 填料 | PTFE/柔性石墨 | ||
| 8 | 彈簧 | 65Mn | ||
| 9 | 螺母 | 304 | 304 | 304 |
| 本體材質為不銹鋼 | ||||
| 1 | 閥體 | CF8 | CF8M | CF3M |
| 2 | 閥座 | 304 | 316 | 316L |
| 3 | 閥芯 | 304 | 316 | 316L |
| 4 | 導向套 | 304 | 316 | 316L |
| 5 | 閥蓋 | CF8 | CF8M | CF3M |
| 6 | 閥桿 | 304 | 316 | 316L |
| 7 | 填料 | PTFE/柔性石墨 | ||
| 8 | 彈簧 | 65Mn | ||
| 9 | 螺母 | 304 | 316 | 316L |
閥蓋型式

氣動三通調節閥規格與技術參數
| 公稱通徑 DN(mm) | 20 | 25 | 32 | 40 | 50 | 65 | 80 | 100 | 125 | 150 | 200 | |||||||
|
額定流量 系數 KV |
合流 | 6.3 | 8.5 | 13 | 21 | 34 | 53 | 85 | 135 | 210 | 340 | 535 | ||||||
| 分流 | 85 | 135 | 210 | 340 | 535 | |||||||||||||
| 額定行程 L(mm) | 16 | 25 | 40 | 60 | ||||||||||||||
| 膜片有效面積 Ae(cm2) | 280 | 400 | 600 | 1000 | ||||||||||||||
| 公稱壓力 PN(MPa) | 1.6 2.5 4.0 6.4 10.0 | |||||||||||||||||
| 固有流量特性 | 直線 等百分比 | |||||||||||||||||
| 固有可調比 R | 30:01:00 | |||||||||||||||||
| 信號范圍 Pr(Kpa) | 20-100、40-200、60-100、80-240 | |||||||||||||||||
| 氣源壓力 Ps(Mpa) | 0.14、0.25、0.28、0.40 | |||||||||||||||||
| 允許壓差△P(MPa) | 0.93 | 0.86 | 0.75 | 0.48 | 0.31 | 0.27 | 0.18 | 0.11 | 0.12 | 0.09 | 0.05 | |||||||
氣動調節閥主要性能指標
| 序號 | 項 目 | 性能指標 | ||
| 不帶定位器 | 帶定位器 | |||
| 1 | 基本誤差<(%) | ±5 | ±1 | |
| 2 | 回差<(%) | 3 | 1 | |
| 3 | 死區<(%) | 3 | 0.4 | |
| 4 |
始終點偏差 <(%) |
始點(%) | ±5 | |
| 終點(%) | ±2.5 | ±1 | ||
| 5 | 額定行程偏差(%) | 2.5 | ||
| 6 | 允許泄露量(1/h) | 10-3×閥額定容量 | ||
| 7 | 額定流量系數偏差(%) | ±10 | ||
| 8 | 固有流量特性 | 符合 IEC534-1 和 GB/T13927-2000 中歸動的斜率偏差要求 | ||
流量特性

|
行程 流量特性 |
0 | 10 | 20 | 30 | 40 | 50 | 60 | 70 | 80 | 90 | 100 |
| 線性 | 2 | 11.8 | 21.6 | 31.4 | 41.2 | 51 | 61 | 40.5 | 80.6 | 90.7 | 100 |
| 等百分比 | 2 | 3 | 4.42 | 6.3 | 9.5 | 14.2 | 21.1 | 30.8 | 45.7 | 67.8 | 100 |
允許壓差表的附注說明
● 填料材質為 PTFE;● 介質的流向與閥芯關閉的方向相反;
● 金屬密封型泄露等級為Ⅳ級;
● 數值受公稱壓力、溫度表限制;
● 波紋管密封型 P2≠0 時需重新核對;
特殊要求
● 特殊檢驗;● 完全去油、去水處理;
● 禁銅處理;
● 特殊接口、配管;
● 真空條件下使用;
● 指定涂層顏色;
● 特殊介質(氧氣、氫氣、氯氣);
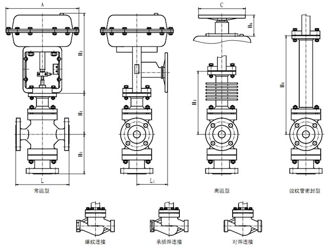
配氣動執行機構外形尺寸(常溫型、高溫型)
| 公稱通徑(DN) | 20 | 25 | 32 | 40 | 50 | 65 | 80 | 100 | 125 | 150 | 200 | |
|
結構長度 (L) |
PN16/25 | 180 | 185 | 200 | 220 | 250 | 275 | 305 | 350 | 410 | 450 | 550 |
| PN40 | 185 | 190 | 210 | 230 | 255 | 285 | 310 | 355 | 425 | 460 | 560 | |
| PN64 | 190 | 200 | 220 | 240 | 265 | 295 | 320 | 370 | 400 | 475 | 570 | |
| H1 | 155 | 155 | 175 | 180 | 200 | 235 | 250 | 260 | 330 | 350 | 420 | |
| H2 | 298 | 298 | 298 | 298 | 298 | 380 | 380 | 380 | 510 | 510 | 510 | |
| H3 | 235 | 235 | 247 | 256 | 268 | 364 | 384 | 394 | 465 | 470 | 540 | |
| H4 | 365 | 365 | 425 | 420 | 445 | 660 | 680 | 690 | 748 | 740 | 780 | |
| H5 | 140 | 140 | 150 | 160 | 180 | 200 | 222 | 230 | 270 | 280 | 306 | |
| H6 | 180 | 180 | 180 | 180 | 180 | 236 | 236 | 236 | 310 | 310 | 310 | |
| A | 282 | 282 | 282 | 282 | 282 | 360 | 360 | 360 | 470 | 470 | 470 | |
| C | 220 | 220 | 220 | 220 | 220 | 270 | 270 | 270 | 320 | 320 | 320 | |
| L1 | 289 | 289 | 289 | 289 | 289 | 347 | 347 | 347 | 476 | 476 | 476 | |
| 壓力等級 | GB:1.6、2.5、4.0、6.4、10.0MPa ANSI:150、300、600LB JIS:10、20、30、40K | |||||||||||
| 執行機構 | ZHB-22 | ZHB-23 | ZHB-34 | ZHB-45 | ||||||||
產品外形結構尺寸圖


聲明:本文中所有文字、數據、圖片均只適用于參考,ZJSF(H)氣動薄膜三通分(合)流調節閥性能參數、結構尺寸參數、價格等詳情,請聯系我們,電話:021-80392609。
-

不銹鋼電動調節針閥 高精度小口徑小流量 高壓智能防爆
參數 名稱: 調節型電動針型閥 電壓: 24V/220V/380V 公稱通徑: DN8mm-DN20 ; 公稱壓力:...
-

GHJ991W-16P電動針型調節閥 不銹鋼卡套連接信號輸
*** 滬工恒 公稱直徑 6cm 數量 560個 是否支持加工定制 是 是否進口 否 包裝規格 DN6 ...
-

微型電動球閥 不銹鋼內螺紋 絲扣微型閥 小型調節球形
*** 滬工恒 公稱直徑 15cm 數量 450個 是否支持加工定制 是 是否進口 否 包裝規格 DN1...
-

GHY43F衛生級快裝式減壓閥 不銹鋼卡盤卡箍卡套閥
*** 滬工恒 數量 580個 是否支持加工定制 是 是否進口 否 包裝規格 DN40-DN50 產地 蘇...


