

ZRSN電動雙座調節閥
產品概述 ZRSN電動雙座調節閥是一種壓力平衡調節閥,采用籠式套筒導向、單座密封結構,配用多彈簧執行機構或者 電動執行機構,流道呈S流線型,選用進口密封環。整體具有工作平穩、允許壓差大、流量特性精確噪音低等特點。特 別適用于對泄漏量要求不高、閥前...
- 產品詳情
產品概述
ZRSN電動雙座調節閥是一種壓力平衡調節閥,采用籠式套筒導向、單座密封結構,配用多彈簧執行機構或者 電動執行機構,流道呈S流線型,選用進口密封環。整體具有工作平穩、允許壓差大、流量特性精確噪音低等特點。特 別適用于對泄漏量要求不高、閥前后壓差較大的工作場合。 本系列產品有常溫型、高溫型、低溫型、調節切斷型、 波紋管密封型等多種型式。產品公稱壓力等級有 PN1.6、4.0、6.4;閥體口徑范圍 DN20-DN300;適用流體溫度-150℃-+560℃ 范圍內多種檔次;泄露等級氛分為Ⅳ級、Ⅴ級;流量特 性有直線、等百分比。多種規格可供選擇。 本系列調節閥采用模塊化設計,可采用不同組合、配用各種附件。主要技術參數
| 本體部分 | |
|---|---|
| 閥體形式 | 直通雙座球型鑄造閥 |
| 閥體材質 | ZG230-450 ZG1Cr18Ni9 |
| 公稱通徑 | DN20-DN300 |
| 公稱壓力 |
PN1.6 2.5 4.0 6.4 10.0MPa ANSI 150 300 600LB JIS 10K 20K 30K 40K |
| 連接形式 | 法蘭:FF RF RTJ 等 焊接:SW BW |
| 結構長度 | 符合 IEC534 |
| 閥蓋型式 | 常溫型 高溫型 波紋管密封型 低溫型 |
| 填料 | 聚四氟乙烯 柔性石墨等 |
| 密封墊 | 金屬夾石墨密封墊 四氟乙烯墊等 |
| 閥內部件 | |
| 閥芯型式 | 雙座導向型 |
| 流量特性 | 線性 等百分比 |
| 內件材質 | 1Cr18Ni9Ti 1Cr18Ni9Ti+PTFE |
| 執行機構 | |
| 電動 | PSL系列 3810L系列 |
主要零件材料及內部結構

| 本體材質為碳鋼 | ||||
|---|---|---|---|---|
| 1 | 閥體 | WCB | LCB | WC9 |
| 2 | 閥座 | 304 | 304 | 304 |
| 3 | 閥芯 | 304 | 304 | 304 |
| 4 | 導向套 | 304 | 304 | 304 |
| 5 | 閥蓋 | WCB | LCB | WC9 |
| 6 | 閥桿 | 304 | 304 | 304 |
| 7 | 填料 | PTFE/柔性石墨 | ||
| 8 | 彈簧 | 65Mn | ||
| 9 | 螺母 | 304 | 304 | 304 |
| 本體材質為不銹鋼 | ||||
| 1 | 閥體 | CF8 | CF8M | CF3M |
| 2 | 閥座 | 304 | 316 | 316L |
| 3 | 閥芯 | 304 | 316 | 316L |
| 4 | 導向套 | 304 | 316 | 316L |
| 5 | 閥蓋 | CF8 | CF8M | CF3M |
| 6 | 閥桿 | 304 | 316 | 316L |
| 7 | 填料 | PTFE/柔性石墨 | ||
| 8 | 彈簧 | 65Mn | ||
| 9 | 螺母 | 304 | 316 | 316L |
閥蓋型式

電動調節閥規格與技術參數
| 公稱通徑 DN(mm) | 20 | 25 | 32 | 40 | 50 | 65 | 80 | 100 | 125 | 150 | 200 | 250 | 300 | |
|
額定流 量系數 (KV) |
直線 | 7.6 | 12.1 | 19.4 | 30.3 | 48.3 | 75.9 | 121 | 194 | 302 | 484 | 759 | 1210 | 1936 |
| 等百分比 | 6.9 | 11 | 17.6 | 27.5 | 44 | 69.3 | 110 | 176 | 275 | 440 | 693 | 1100 | 1760 | |
| 額定行程 L(mm) | 16 | 25 | 40 | 60 | 100 | |||||||||
| 公稱壓力 PN(MPa) | 1.6 2.5 4.0 6.4 | |||||||||||||
|
執行機 構型號 |
PSL | 201/202 | 204 | 208 | 312 | 320 | ||||||||
| 3810L | 3810LSA-08 | 3810LSA-20 | 3810LSB-30 | 3810LSB-50 | 3810LSC-65 | |||||||||
| 固有流量特性 | 直線、等百分比 | |||||||||||||
| 固有可調比 | 50:01:00 | |||||||||||||
| 工作溫度 t(℃) | 普通型:鑄鋼-40-250;鑄不銹鋼-60-250 散熱型:鑄鋼-40-450;鑄不銹鋼-60-450 | |||||||||||||
| 輸入信號 | 0-10mADC、4-20mADC、220VAC(開關信號) | |||||||||||||
| 電源電壓 | 220VAC 50Hz | |||||||||||||
流量特性

|
行程 流量特性 |
0 | 10 | 20 | 30 | 40 | 50 | 60 | 70 | 80 | 90 | 100 |
| 線性 | 2 | 11.8 | 21.6 | 31.4 | 41.2 | 51 | 61 | 40.5 | 80.6 | 90.7 | 100 |
| 等百分比 | 2 | 3 | 4.42 | 6.3 | 9.5 | 14.2 | 21.1 | 30.8 | 45.7 | 67.8 | 100 |
允許壓差
|
執行機構 型號 |
輸出推力 (KN) |
閥座直徑 dn(mm) | ||||||||||
| 20 | 25 | 32 | 40 | 50 | 65 | 80 | 100 | 125 | 150 | 200 | ||
| 3810LSA-08 | 0.8 | 2.38 | 1.52 | 0.93 | 0.59 | 0.38 | ||||||
| 1.91 | 1.22 | 0.74 | 0.47 | 0.3 | ||||||||
| 3810LSA-20 | 2 | 4.77 | 3.05 | 1.86 | 1.19 | 0.76 | 0.45 | |||||
| 3.82 | 2.44 | 1.49 | 0.95 | 0.61 | 0.36 | |||||||
| 3810LSB-30 | 3 | 2.79 | 1.79 | 1.14 | 0.67 | 1.21 | 0.28 | 0.18 | 0.12 | 0.03 | ||
| 2.23 | 1.43 | 0.91 | 0.54 | 0.96 | 0.22 | 0.14 | 0.1 | 0.02 | ||||
| 3810LSB-50 | 5 | 4.66 | 2.98 | 1.91 | 1.13 | 1.51 | 0.47 | 0.3 | 0.21 | 0.08 | ||
| 3.73 | 2.38 | 1.52 | 0.9 | 1.2 | 0.38 | 0.24 | 0.16 | 0.06 | ||||
| 3810LSC-65 | 6.5 | 1.35 | 2.34 | 0.57 | 0.36 | 0.25 | 0.11 | |||||
| 1.08 | 1.87 | 0.45 | 0.29 | 0.2 | 0.08 | |||||||
| 3810LSC-99 | 10 | 2.26 | 2.92 | 0.95 | 0.61 | 0.42 | 0.2 | |||||
| 1.8 | 2.33 | 0.76 | 0.48 | 0.33 | 0.15 | |||||||
| 3810LSC-160 | 16 | 0.97 | 0.67 | 0.35 | ||||||||
| 0.78 | 0.54 | 0.27 | ||||||||||
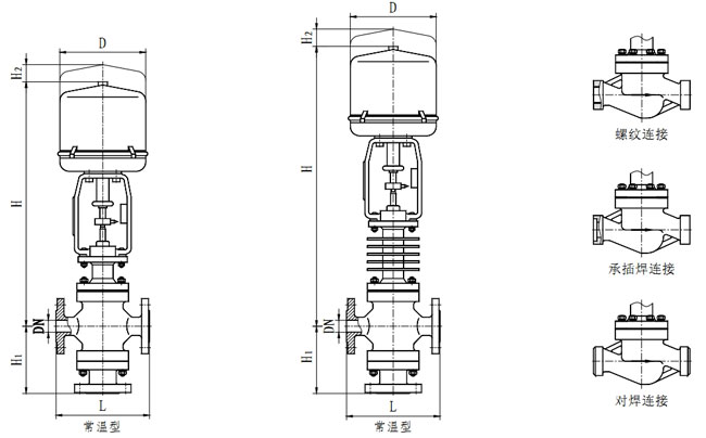
配電動執行機構外形尺寸(常溫型、高溫型)
| 公稱通徑(DN) | 20 | 25 | 32 | 40 | 50 | 65 | 80 | 100 | 125 | 150 | 200 | 250 | 300 | |
|
結構長度 (L) |
PN16/25 | 180 | 185 | 200 | 220 | 250 | 275 | 305 | 350 | 410 | 450 | 550 | 670 | 770 |
| PN40 | 185 | 190 | 210 | 230 | 255 | 285 | 310 | 355 | 425 | 460 | 560 | 690 | 795 | |
| PN64 | 190 | 200 | 220 | 240 | 265 | 295 | 320 | 370 | 400 | 475 | 570 | 752 | 819 | |
|
常溫型 (H) |
PN16/25 | 535 | 553 | 556 | 698 | 703 | 959 | 969 | 981 | 1061 | 1076 | 1109 | 1361 | 1458 |
| PN40 | 540 | 558 | 561 | 703 | 708 | 964 | 974 | 986 | 1066 | 1081 | 1114 | 1366 | 1463 | |
| PN64 | 545 | 563 | 566 | 708 | 713 | 969 | 979 | 991 | 1071 | 1086 | 1119 | 1371 | 1468 | |
|
常溫型 (H) |
PN16/25 | 735 | 753 | 756 | 898 | 903 | 1209 | 1219 | 1231 | 1381 | 1396 | 1429 | 1711 | 1808 |
| PN40 | 745 | 763 | 766 | 908 | 913 | 1219 | 1229 | 1241 | 1391 | 1406 | 1439 | 1721 | 1818 | |
| PN64 | 755 | 773 | 776 | 918 | 923 | 1229 | 1239 | 1251 | 1401 | 1416 | 1449 | 1731 | 1828 | |
| H1 | PN16/25 | 95 | 117 | 120 | 139 | 144 | 188 | 208 | 220 | 268 | 278 | 320 | 441 | 465 |
| PN40 | 100 | 122 | 125 | 144 | 149 | 193 | 213 | 225 | 273 | 283 | 325 | 446 | 470 | |
| PN64 | 105 | 127 | 130 | 149 | 154 | 198 | 218 | 230 | 278 | 288 | 330 | 451 | 475 | |
| H2 | 87 | 90 | ||||||||||||
| D | 225 | 257 | 310 | |||||||||||
| 壓力等級 | GB:1.6、2.5、4.0、6.4MPa ANSI:150、300、600LB JIS:10、20、30K | |||||||||||||
| 執行機構 | PSL 系列、3810 系列、DKJ 或 DKZ 系列等 | |||||||||||||
產品外形結構尺寸圖


聲明:本文中所有文字、數據、圖片均只適用于參考,ZRSN電動雙座調節閥性能參數、結構尺寸參數、價格等詳情,請聯系我們,電話:021-80392609。
-

GHJ991W-16P電動針型調節閥 不銹鋼卡套連接信號輸
*** 滬工恒 公稱直徑 6cm 數量 560個 是否支持加工定制 是 是否進口 否 包裝規格 DN6 ...
-

微型電動球閥 不銹鋼內螺紋 絲扣微型閥 小型調節球形
*** 滬工恒 公稱直徑 15cm 數量 450個 是否支持加工定制 是 是否進口 否 包裝規格 DN1...
-

GHY43F衛生級快裝式減壓閥 不銹鋼卡盤卡箍卡套閥
*** 滬工恒 數量 580個 是否支持加工定制 是 是否進口 否 包裝規格 DN40-DN50 產地 蘇...
-

微小流量調節閥 電動精確控制小流量比例調節閥門
*** 滬工恒 驅動方式 電動 連接形式 螺紋 特殊功能 高精度 零部件及配件 執行器 形態 ...


