

SQD643X-1氣動三通切換閥
產品概述 SQD643X-1氣動三通切換閥是一種氣體切換的理想設備,是工恒閥門吸取國內外同類產品的技術研制而成的,SQD643X-1氣動三通切換閥具有結構簡單,操作方便,密封可靠,切換準確,使用壽命長,采用氣壓傳動,裝有乏味信號輸出元件,廣泛應用在冶金、...
產品型號:SQD643X-1
產品口徑(DN):DN500-DN2400(mm)
產品壓力(PN):0.1Mpa(Mpa)
更新日期:2018-11-09
免費詢價
24小時免費咨詢電話021-80392609
- 產品詳情
產品概述
SQD643X-1氣動三通切換閥是一種氣體切換的理想設備,是工恒閥門吸取國內外同類產品的技術研制而成的,SQD643X-1氣動三通切換閥具有結構簡單,操作方便,密封可靠,切換準確,使用壽命長,采用氣壓傳動,裝有乏味信號輸出元件,廣泛應用在冶金、石化、環保等行業作現場操作或遠距離控制。特別適用于鋼鐵廠轉爐煤氣回收裝置中控制煤氣的回收與放散。氣動三通切換閥主要由三通體和兩只密封蝶閥及二只氣(油)缸、連桿、控制箱組成。
主要性能參數
| 公稱壓力 | 0.1MPa | 適用溫度 | SQD643X | 蝶閥為橡膠軟密封≤80℃ ≤120℃ |
| 密封試驗壓力 | 0.11MPa | SQD643H | 蝶閥為金屬硬密封≤350℃ ≤500℃ | |
| 強度試驗壓力 | 0.15MPa | 氣源壓力 | (氣動三通切換閥)0.4~0.6MPa | |
| 啟閉切換時間 | ≤15s | |||
| 適用介質 | 含塵氣體、煙氣、煤氣、空氣等 | |||
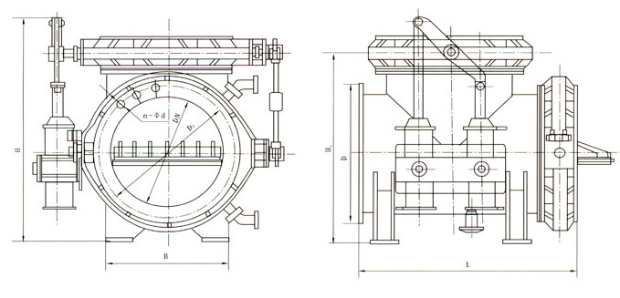
產品外形結構尺寸

| DN | D | D1 | L | n-d | H | H1 | B |
重量 (kg) |
| 500 | 645 | 6006 | 1130 | 20-22 | 1620 | 1400 | 420 | 1080 |
| 600 | 755 | 705 | 1400 | 20-26 | 1740 | 1480 | 520 | 1150 |
| 800 | 975 | 920 | 1595 | 24-30 | 1867 | 1617 | 720 | 1300 |
| 900 | 1075 | 1020 | 1671 | 24-30 | 2010 | 1725 | 950 | 1560 |
| 1000 | 1175 | 1120 | 1617 | 28-30 | 1060 | 1775 | 950 | 1680 |
| 1200 | 1375 | 1320 | 2255 | 32-30 | 2125 | 1840 | 1250 | 1740 |
| 1400 | 1575 | 1520 | 2255 | 36-30 | 2500 | 2090 | 1250 | 2000 |
| 1600 | 1785 | 1730 | 2645 | 40-30 | 2835 | 2365 | 1450 | 2400 |
| 1800 | 1985 | 1930 | 2645 | 44-30 | 3110 | 2640 | 1450 | 2780 |
| 2000 | 2185 | 2130 | 2413 | 48-30 | 3340 | 2905 | 2050 | 3180 |
| 2400 | 2600 | 2540 | 2530 | 56-33 | 3500 | 3100 | 2250 | 4140 |
2、本氣動三通閥要按用戶要求制造。
聲明:本文中所有文字、數據、圖片均只適用于參考,SQD643X-1氣動三通切換閥性能參數、結構尺寸參數、價格等詳情,請聯系我們,電話:021-80392609。
-

脈沖阻尼器 隔膜式脈沖阻尼器 膜片式脈沖阻尼器 不銹
介質溫度 : 常溫 工作壓差 : 0.6 材質 : 不銹鋼 *** : GH/工恒 型號 : LDMZ 產品別名 ...
-

內螺紋連接法蘭背壓閥 PVC背壓閥 單向閥 PVC法蘭背壓
加工定制 : 是 *** : 滬工恒 型號 : RXBF-P15/1.0 連接形式 : 法蘭 材質 : 塑料 閥瓣...
-

鶴管拉斷閥-低溫緊急拉斷閥-鶴管用緊急拉斷閥
介質溫度 : 低溫 工作壓差 : 0.6 材質 : 不銹鋼 *** : 滬工恒 型號 : 鶴管拉斷閥 產品...
-

鶴管拉斷閥 氫鶴管改裝拉斷閥 絲扣拉斷閥 管道型拉斷
介質溫度 : DN25~400 工作壓差 : 常壓 材質 : 不銹鋼 *** : 滬工恒 型號 : 鶴管拉斷閥...


