

API明桿美標閘閥150LB
產品概述 API美標閘閥150LB是一種常見的截斷閥,主要用來接通或截斷管路中的介質。閘閥的閘板具有兩面密封,運動方向與介質流向垂直,閘閥大多是通過外力強制壓向閥座,以達到密封要求。按內部結構可分為:楔式單閘板式、彈性閘板式、雙閘板式、平行閘板式。...
- 產品詳情
產品概述
API美標閘閥150LB是一種常見的截斷閥,主要用來接通或截斷管路中的介質。閘閥的閘板具有兩面密封,運動方向與介質流向垂直,閘閥大多是通過外力強制壓向閥座,以達到密封要求。按內部結構可分為:楔式單閘板式、彈性閘板式、雙閘板式、平行閘板式。也可分為:明桿閘閥和暗桿閘閥。常用于常開、常閉場合,具備流阻小、適用范圍廣、不受介質流向限制、適合制成大口徑的閥門等***點;也有密封面磨損后不宜修理、外形尺寸高,開閉時間長、不適用調節介質流量等缺點。
主要性能規范
propertg and specification
主要零件材料
Material for main parts
API美標閘閥150LB是一種常見的截斷閥,主要用來接通或截斷管路中的介質。閘閥的閘板具有兩面密封,運動方向與介質流向垂直,閘閥大多是通過外力強制壓向閥座,以達到密封要求。按內部結構可分為:楔式單閘板式、彈性閘板式、雙閘板式、平行閘板式。也可分為:明桿閘閥和暗桿閘閥。常用于常開、常閉場合,具備流阻小、適用范圍廣、不受介質流向限制、適合制成大口徑的閥門等***點;也有密封面磨損后不宜修理、外形尺寸高,開閉時間長、不適用調節介質流量等缺點。
主要性能規范
propertg and specification
|
試驗壓力 Test pressure |
公稱壓力(LB) Nominal pressure |
適用介質 Appllcable |
適用溫度(℃) Appllicable tem- perature |
| 150 | |||
|
殼體強度試驗(Mpa) Shell strength test(Mpa) |
3 |
水、蒸氣、油品 Water steam oil |
≤425℃ |
|
密封試驗(液)(Mpa) Seal test(Mpa) |
2.2 | ||
|
密封試驗(氣)(Mpa) Seal test(Mpa) |
0.5~0.7 |
主要零件材料
Material for main parts
|
閥體、閥蓋、閥瓣 Body、Bonnet、 disc |
閥桿 Stem |
密封面 Seat |
墊片(環) Gasket |
填料 Packing |
工作溫度(℃) Working temperature |
適用介質 Suitable medium |
| WCB |
2Cr13 F304 F316 |
13Cr STELLITE F304 F316 |
304+Flexible Graphite 316+Flexible Graphite 08 Soft Steel |
Flexible Graphite PTFE |
-196℃-565℃ |
Water Steam Oil Gas Nitric acid Acetic acid |
| LCB | ||||||
| WC6 | ||||||
| WC9 | ||||||
| C5 | ||||||
| CF8 | ||||||
| CF3 | ||||||
| CF8M | ||||||
| CF3M |
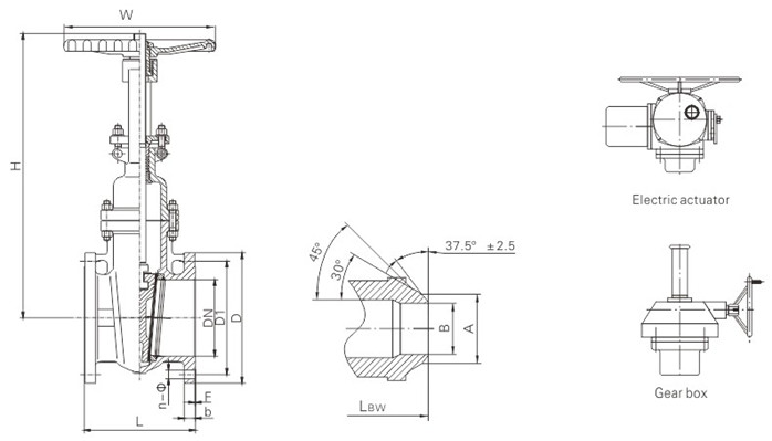
主要外形連接尺寸
Main external and connection dimension (150Lb)

| in | DN | LRF | Lbw | D | D1 | b | n-φd | A | B | H | W |
| 2" | 50 | 178 | 216 | 150 | 120.5 | 14 | 4-φ19 | 60 | 52 | 325 | 200 |
| 2 1/2" | 65 | 191 | 241 | 180 | 139.5 | 16 | 4-φ19 | 75 | 63 | 350 | 200 |
| 3" | 80 | 203 | 283 | 190 | 152.5 | 17.5 | 4-φ19 | 91 | 78 | 380 | 250 |
| 4" | 100 | 229 | 305 | 230 | 190.5 | 22 | 8-φ19 | 117 | 102 | 460 | 250 |
| 5" | 125 | 254 | 254 | 255 | 216 | 22 | 8-φ22 | 144 | 128 | 630 | 250 |
| 6" | 150 | 267 | 403 | 280 | 241 | 24 | 8-φ22 | 172 | 154 | 652 | 300 |
| 8" | 200 | 292 | 419 | 345 | 298.5 | 27 | 8-φ22 | 223 | 203 | 765 | 350 |
| 10" | 250 | 330 | 457 | 405 | 362 | 28.6 | 12-φ25 | 278 | 255 | 895 | 400 |
| 12" | 300 | 356 | 502 | 485 | 432 | 30 | 12-φ25 | 329 | 305 | 1080 | 450 |
| 14" | 350 | 381 | 572 | 535 | 476 | 33.4 | 12-φ29 | 362 | 337 | 1295 | 500 |
| 16" | 400 | 406 | 610 | 595 | 540 | 35 | 16-φ29 | 413 | 387 | 1435 | 600 |
| 18" | 450 | 432 | 660 | 635 | 578 | 38 | 16-φ32 | 464 | 438 | 1625 | 600 |
| 20" | 500 | 457 | 711 | 700 | 635 | 41 | 20-φ32 | 516 | 489 | 1830 | 650 |
| 24" | 600 | 508 | 813 | 815 | 749.5 | 46 | 20-φ35 | 619 | 591 | 2175 | 700 |
| 26" | 650 | 559 | 864 | 786 | 744 | 41 | 36-φ29 | 670 | 635 | 2235 | 750 |
| 28" | 700 | 610 | 914 | 837 | 795 | 44.5 | 40-φ32 | 721 | 686 | 2310 | 800 |
| 30" | 750 | 610 | 914 | 888 | 846 | 44.5 | 44-φ33 | 772 | 737 | 2695 | 850 |
| 32" | 800 | 660 | 965 | 941.3 | 900 | 46 | 48-φ23 | 825 | 979 | 3708 | / |
| 36" | 900 | 711 | 1016 | 1057 | 1009.6 | 53 | 44-φ25 | 927 | 900 | 3924 | / |
| 40" | 1000 | 812 | / | 1175 | 1120.6 | 56 | 44-φ25 | 1080 | 1000 | 4318 | / |
聲明:本文中所有文字、數據、圖片均只適用于參考,API明桿美標閘閥150LB性能參數、結構尺寸參數、價格等詳情,請聯系我們,電話:021-80392609。





