

D643H氣動法蘭式硬密封蝶閥PN16~PN40
產品概述 D641H氣動法蘭式硬密封蝶閥PN16~PN40廣泛適用于電站供熱系統和催化裂化主風機道管系統和鋼鐵、冶金、化工等工業系統以及環保、水處理、高層建筑給水排水管路上作切斷或調節流量作用,氣動閥門設計采用三偏心原理,開啟密封即分離,關閉接觸即密封...
- 產品詳情
產品概述
D643H氣動法蘭式硬密封蝶閥PN16~PN40廣泛適用于電站供熱系統和催化裂化主風機道管系統和鋼鐵、冶金、化工等工業系統以及環保、水處理、高層建筑給水排水管路上作切斷或調節流量作用,氣動閥門設計采用三偏心原理,開啟密封即分離,關閉接觸即密封,因此密封性能可靠,密封圈選用不銹鋼材料,在高溫和冷態工況下,密封無應力變形,具有耐高溫、耐腐蝕、使用壽命長的特點。閥門軸向定位裝置,解決軸向密封面磨損易泄漏的難題,傳動裝置可任意方向安裝,過流面積大,流阻系數小,流通能力強抗老化、抗輻射、經久耐用。密封可調節,10萬次壽命無泄漏。
主要性能參數
| 公稱通徑DN(mm) | 50-1200 | ||||||
|---|---|---|---|---|---|---|---|
| 公稱壓力PN(MPa) | 1.0 | 1.6 | 2.5 | ||||
|
公稱壓力 (MPa) |
強度試驗 | 1.5 | 2.4 | 3.75 | |||
| 密封試驗 | 1.1 | 1.76 | 2.75 | ||||
| 材料\材料代號 | C | P | R | ||||
| 主要零件 | 閥體 | WCB | ZG1Cr18Ni9Ti | ZG0Cr18Ni12Mo2Ti | |||
| 蝶板 | WCB | ZG1Cr18Ni9Ti | ZG0Cr18Ni12Mo2Ti | ||||
| 閥桿 | 2Cr13 | 1Cr18Ni9Ti | 0Cr18Ni12Mo2Ti | ||||
| 密封圈 | 不銹鋼 | ||||||
| 填料 | 聚四氟乙烯、柔性石墨 | ||||||
| 適用工況 | 適用介質 | 水、蒸汽、油品 | 硝酸類 | 醋酸類 | |||
| 適用溫度 | -40℃~200℃ | ||||||
| 執行器 | 型號 | GT或AW系列 | |||||
| 氣源壓力 | 0.3-0.7MPa | ||||||
| 執行標準 | 設計制造 | 結構長度 | 法蘭尺寸 | 壓力溫度 | 試驗檢驗 | ||
| GBT/12238 | GB12221 | GB9113 | GB9131 | GB13927 | |||
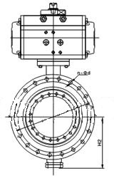
主要連接尺寸
|
公稱通徑 DN(mm) |
尺寸(mm) |
執行器型號 (僅供參考) |
||||||||||
|---|---|---|---|---|---|---|---|---|---|---|---|---|
| L | H | D(1.6) | D(2.5) | D(4.0) | D1(1.6) | D1(2.5) | D1(4.0) | n-d(1.6) | n-d(2.5) | n-d(4.0) | ||
| 50 | 108 | 112 | 165 | 165 | 165 | 125 | 125 | 125 | 4-18 | 4-18 | 4-18 | GTD-65 |
| 65 | 112 | 115 | 185 | 185 | 185 | 145 | 145 | 145 | 4-18 | 8-18 | 8-18 | GTD-80 |
| 80 | 114 | 120 | 200 | 200 | 200 | 160 | 160 | 160 | 8-18 | 8-18 | 8-18 | GTD-80 |
| 100 | 127 | 138 | 220 | 235 | 235 | 180 | 190 | 190 | 8-18 | 8-22 | 8-22 | GTD-100 |
| 125 | 140 | 164 | 250 | 270 | 270 | 210 | 220 | 220 | 8-18 | 8-26 | 8-26 | GTD-115 |
| 150 | 140 | 175 | 285 | 300 | 300 | 240 | 250 | 250 | 8-22 | 8-26 | 8-26 | GTD-125 |
| 200 | 152 | 200 | 340 | 360 | 375 | 295 | 310 | 320 | 12-22 | 12-26 | 12-30 | GTD-160 |
| 250 | 165 | 243 | 405 | 425 | 450 | 355 | 370 | 385 | 12-26 | 12-30 | 12-33 | GTD-190 |
| 300 | 178 | 250 | 460 | 485 | 515 | 410 | 430 | 450 | 12-26 | 16-30 | 16-33 | AW13 |
| 350 | 190 | 280 | 520 | 555 | 580 | 470 | 490 | 510 | 16-26 | 16-33 | 16-36 | AW17 |
| 400 | 216 | 305 | 580 | 620 | 660 | 525 | 550 | 585 | 16-30 | 16-36 | 16-39 | AW17 |
| 450 | 222 | 350 | 640 | 670 | 685 | 585 | 600 | 610 | 20-30 | 20-36 | 20-39 | AW20 |
| 500 | 229 | 380 | 715 | 730 | 755 | 650 | 660 | 670 | 20-33 | 20-30 | 20-42 | AW20 |
| 600 | 267 | 445 | 840 | 845 | 770 | 770 | 20-36 | 20-39 | AW28 | |||
| 700 | 292 | 480 | 910 | 960 | 840 | 875 | 24-36 | 24-42 | AW35 | |||
| 800 | 318 | 530 | 1025 | 1085 | 950 | 990 | 24-39 | 24-48 | AW35 | |||
| 900 | 330 | 580 | 1125 | 1185 | 1050 | 1090 | 28-39 | 28-48 | AW40 | |||
| 1000 | 410 | 650 | 1255 | 1320 | 1170 | 1210 | 28-42 | 28-56 | AW40 | |||
| 1200 | 470 | 760 | 1485 | 1530 | 1390 | 1420 | 32-48 | 32-56 | AW40 | |||
產品外形結構尺寸圖:

安裝注事事項:
1、安裝前應核對蝶閥規格、壓力、溫度、耐腐性是否滿足使用要求。 應檢查各零部件是否損壞或松動。
2、本蝶閥可安裝在任意角度的管道上,應關閉安裝為宜;焊接管道法蘭時應將閥門密封口用板擋住以防止顆粒、雜物挫傷密封面,焊后取下 閥門,對閥門密封面及管道內腔進行清潔,然后再安裝固定閥門。
3、安裝時請注意閥門關閉狀態承壓方向。
4、安裝前應將密封面(兩端密封面、蝶板密封面、閥座密封面)徹底擦干凈,去掉灰塵和污物。
5、安裝前應空試蝶閥,啟閉應靈活,啟閉位置與指針指示位置相符合。
6、手動操作順時針為關,逆時針為開,指針指示到位后不準再加力啟閉閥門。
7、閥門做壓力試驗時,不準用單法蘭進行安裝試壓,采用雙法蘭安裝試壓。其試驗壓力應符合GB/T13927-92標準規定。
8、緊固螺栓時應對稱交替進行緊固,不準依次單獨緊固。
9、限位螺釘出廠前,已經調好,不準輕易調整。若配置驅動裝置為電動、氣動請閱配套驅動裝置說明書。
10、電動蝶閥出廠時已將控制機構的啟閉行程調好。為防止電源接通時方向搞錯,用戶在次接通電源前要先手動開啟到半開位置,再按點動開關,檢查指示盤方向與閥門開啟方向一致即可。
11、發現閥門啟閉失常應查明原因進行修理和排除,防止用加力方法開關閥門,造成閥門的損壞。





