

內螺紋高壓液壓球閥
產品主要性能 內螺紋高壓液壓球閥YJZQ適用于液壓系統和化工系統的各種管路上,作啟閉用。 公稱壓力:PN31.5MPa 試驗壓力:PS48MPa 工作壓力:31.5MPa 工作溫度:-20~+80.C (注:如需高溫球閥訂貨時請說明) 適用介質:液壓油.水.乙二醇.其它混合液體 主要外...
- 產品詳情
產品主要性能
內螺紋高壓液壓球閥YJZQ適用于液壓系統和化工系統的各種管路上,作啟閉用。
公稱壓力:PN31.5MPa
試驗壓力:PS48MPa
工作壓力:31.5MPa
工作溫度:-20~+80℃ (注:如需高溫球閥訂貨時請說明)
適用介質:液壓油.水.乙二醇.其它混合液體
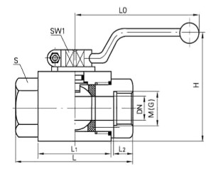
主要外形連接尺寸

| 型號(DN) | M | G | 尺寸(mm) | ||||||
| L | L1 | L2 | SW1 | S | H | L0 | |||
| YJZQ-J8N | M14×1.5 | 1/4" | 72 | 40 | 13 | 9 | 22 | 65 | 120 |
| YJZQ-J10N | M18×1.5 | 3/8" | 78 | 43 | 14 | 9 | 27 | 75 | 140 |
| YJZQ-J15N | M22×1.5 | 1/2 " | 86 | 48 | 16 | 9 | 32 | 78 | 140 |
| YJZQ-J20N | M27×2 | 3/4" | 108 | 60 | 18 | 11 | 41 | 88 | 160 |
| YJZQ-J25N | M33×2 | 1" | 116 | 64 | 20 | 14 | 50 | 96 | 185 |
| YJZQ-J32N | M42×2 | 1 1/4" | 136 | 76 | 22 | 14 | 60 | 116 | 185 |
| YJZQ-H40N | M48×2 | 1 1/2" | 148 | 84 | 24 | 17 | 70 | 140 | 280 |
| YJZQ-H50N | M64×2 | 2" | 180 | 108 | 26 | 17 | 85 | 150 | 280 |
聲明:本文中所有文字、數據、圖片均只適用于參考,內螺紋高壓液壓球閥性能參數、結構尺寸參數、價格等詳情,請聯系我們,電話:021-80392609。






