

外螺紋高壓液壓球閥YFYQ
產品概述 外螺紋高壓液壓球閥YFYQ適用于液壓系統管路中,作接通和切斷用。主閥采用***質鋼鍛件,表面進行鍍鉻處理,外表美觀,操作方便,密封性能好,是液壓系統管路上的***產品。工作溫度:-20~+80℃(如需高溫球閥訂貨時請說明) 主要外形結構尺寸 外螺紋高...
- 產品詳情
產品概述
外螺紋高壓液壓球閥YFYQ適用于液壓系統管路中,作接通和切斷用。主閥采用鋼鍛件,表面進行鍍鉻處理,外表美觀,操作方便,密封性能好,是液壓系統管路上的產品。工作溫度:-20~+80℃(如需高溫球閥訂貨時請說明)
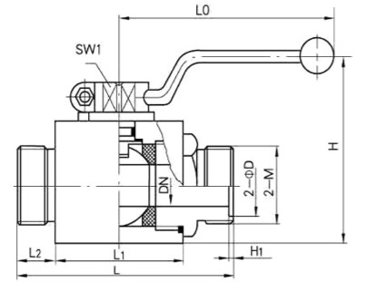
主要外形結構尺寸

| 型 號 | 2-M | L | L1 | L2 | 2-ΦD | H1 | H | SW1 | L0 |
| YFYQ-J6LW | M16×1.5 | 73 | 40 | 14 | 11 | 1.4 | 65 | 9 | 100 |
| YFYQ-J10LW | M24×1.5 | 84 | 45 | 16 | 16 | 1.8 | 70 | 9 | 160 |
| YFYQ-J15LW | M30×1.5 | 92 | 48 | 18 | 22 | 1.8 | 78 | 9 | 160 |
| YFYQ-J20LW | M36×2 | 105 | 60 | 18 | 30 | 2.4 | 90 | 11 | 160 |
| YFYQ-J25LW | M42×2 | 115 | 64 | 20 | 35 | 2.4 | 100 | 14 | 200 |
| YFYQ-J32LW | M52×2 | 131 | 76 | 22 | 40 | 2.4 | 120 | 14 | 230 |
| YFYQ-H40LW | M60×2 | 148 | 84 | 24 | 45 | 2.4 | 140 | 17 | 260 |
| YFYQ-H50LW | M72×2 | 170 | 108 | 26 | 55 | 2.4 | 150 | 17 | 300 |
| YFYQ-H65LW | M85×3 | 196 | 130 | 34 | 60 | 2.4 | 178 | 24 | 350 |
聲明:本文中所有文字、數據、圖片均只適用于參考,外螺紋高壓液壓球閥YFYQ性能參數、結構尺寸參數、價格等詳情,請聯系我們,電話:021-80392609。





