

外螺紋帶焊接管高壓液壓球閥
產品主要性能 外螺紋帶焊接管 高壓液壓球閥 YJZQ適用于液壓系統和化工系統的各種管路上,作啟閉用。 公稱壓力:PN31.5MPa 試驗壓力:PS48MPa 工作壓力:31.5MPa 工作溫度:-20~+80.C (注:如需高溫球閥訂貨時請說明) 適用介質:液壓油.水.乙二醇.其它混合液...
- 產品詳情
產品主要性能
外螺紋帶焊接管高壓液壓球閥YJZQ適用于液壓系統和化工系統的各種管路上,作啟閉用。
公稱壓力:PN31.5MPa
試驗壓力:PS48MPa
工作壓力:31.5MPa
工作溫度:-20~+80℃ (注:如需高溫球閥訂貨時請說明)
適用介質:液壓油.水.乙二醇.其它混合液體
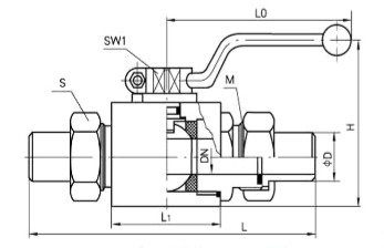
主要外形連接尺寸
外螺紋帶焊接管高壓液壓球閥YJZQ適用于液壓系統和化工系統的各種管路上,作啟閉用。
公稱壓力:PN31.5MPa
試驗壓力:PS48MPa
工作壓力:31.5MPa
工作溫度:-20~+80℃ (注:如需高溫球閥訂貨時請說明)
適用介質:液壓油.水.乙二醇.其它混合液體
主要外形連接尺寸

| 型號(DN) | M | 尺寸(mm) | ||||||
| L | L1 | ΦD | SW1 | S | H | L0 | ||
| YJZQ-J6W | M16×1.5 | 121 | 40 | 10 | 9 | 21 | 65 | 120 |
| YJZQ-J8W | M22×1.5 | 133 | 40 | 14 | 9 | 27 | 70 | 120 |
| YJZQ-J10W | M24×1.5 | 154 | 43 | 18 | 9 | 30 | 70 | 140 |
| YJZQ-J15W | M30×1.5 | 166 | 48 | 22 | 9 | 36 | 78 | 140 |
| YJZQ-J20W | M36×2 | 174 | 60 | 28 | 11 | 41 | 90 | 160 |
| YJZQ-J25W | M42×2 | 212 | 64 | 34 | 14 | 50 | 100 | 185 |
| YJZQ-J32W | M52×2 | 230 | 76 | 42 | 14 | 60 | 120 | 185 |
| YJZQ-H40W | M64×2 | 250 | 84 | 50 | 17 | 74 | 140 | 280 |
| YJZQ-H50W | M72×2 | 294 | 108 | 64 | 17 | 82 | 150 | 280 |
| YJZQ-H65W | M85×3 | 356 | 130 | 76 | 19 | 96 | 178 | 320 |
聲明:本文中所有文字、數據、圖片均只適用于參考,外螺紋帶焊接管高壓液壓球閥性能參數、結構尺寸參數、價格等詳情,請聯系我們,電話:021-80392609。






