

QJH型內螺紋高壓球芯截止閥
產品概述 QJH型內螺紋高壓球芯截止閥設計結構緊湊、體積...
產品型號:QJH
產品口徑(DN):DN10~80(mm)
產品壓力(PN):21.0~31.5Mpa(Mpa)
更新日期:2016-11-25
免費詢價
24小時免費咨詢電話021-80392609
- 產品詳情
產品概述
QJH型內螺紋高壓球芯截止閥設計結構緊湊、體積小。采用鍛鋼閥體,密封環為自潤滑工程塑料,耐高壓,密封性好,手把搬動靈活舒適。QJH型高壓球芯截止閥有螺紋,螺紋連接有內、外兩種,內螺紋連接可與國標JB966-77焊接式直通管接頭及GB3733.1-83卡套式端直通管接頭連接。高壓球閥芯及閥體內外表面均做防腐處理,適用于各種油類及水基乳化液為介質的液壓系統?捎糜诟摺⒅、低壓系統管道做為手動開關閥使用。
工作溫度:-20~+80℃ (如需高溫球閥訂貨時請說明)
型號說明
注:QJH-XXHL型球間連接螺紋與國內某些廠家數據有差別,訂貨請說明。
QJH型內螺紋高壓球芯截止閥設計結構緊湊、體積小。采用鍛鋼閥體,密封環為自潤滑工程塑料,耐高壓,密封性好,手把搬動靈活舒適。QJH型高壓球芯截止閥有螺紋,螺紋連接有內、外兩種,內螺紋連接可與國標JB966-77焊接式直通管接頭及GB3733.1-83卡套式端直通管接頭連接。高壓球閥芯及閥體內外表面均做防腐處理,適用于各種油類及水基乳化液為介質的液壓系統?捎糜诟摺⒅、低壓系統管道做為手動開關閥使用。
工作溫度:-20~+80℃ (如需高溫球閥訂貨時請說明)
型號說明
| 型號 | 公稱通徑(DN) | 公稱壓力(Mpa) |
| QJH-10* | 10 | 31.5 |
| QJH-15* | 15 | |
| QJH-20» | 20 | |
| QJH-25* | 25 | |
| QJH-32* | 32 | |
| QJH-40* | 40 | 21 |
| QJH-50* | 50 | |
| QJH-65* | 65 | |
| QJH-80* | 80 |
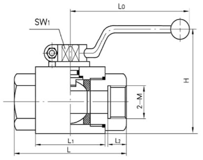
主要外形結構尺寸

| 型號 | 2-M | L | L1 | 12 | H | SW1 | L0 |
| QJH-6HL | M16×1.5 | 78 | 35 | 13 | 65 | 9 | 120 |
| QJH-10HL | M18×1.5 | 78 | 39 | 14 | 70 | 9 | 140 |
| QJH-15HL | M22×1.5 | 86 | 44 | 18 | 78 | 9 | 140 |
| QJH-20HL | M27×2 | 108 | 56 | 20 | 90 | 11 | 160 |
| QJH-25HL | M33×2 | 116 | 60 | 22 | 100 | 14 | 185 |
| QJH-32HL | M42×2 | 136 | 76 | 24 | 120 | 14 | 185 |
| QJH-40HL | M48×2 | 146 | 84 | 26 | 140 | 17 | 260 |
聲明:本文中所有文字、數據、圖片均只適用于參考,QJH型內螺紋高壓球芯截止閥性能參數、結構尺寸參數、價格等詳情,請聯系我們,電話:021-80392609。






