

QJH型板式高壓球芯截止閥
產品概述 QJH型板式高壓球芯截止閥設計結構緊湊、體積...
- 產品詳情
產品概述
QJH型板式高壓球芯截止閥設計結構緊湊、體積小。采用鍛鋼閥體,密封環為自潤滑工程塑料,耐高壓,密封性好,手把搬動靈活舒適。球閥芯及閥體內外表面均做防腐處理,適用于各種油類及水基乳化液為介質的液壓系統。可用于高、中、低壓系統管道做為手動開關閥使用。
公稱壓力:31.5MPa
試驗壓力:48MPa
工作溫度:-20~+80℃ (如需高溫球閥訂貨時請說明)
適用介質:礦物油、水、乙二醇、其它混合液體
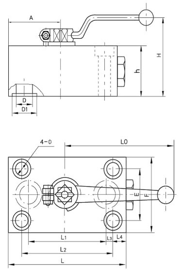
主要外形連接尺寸

|
型號 (DN) |
A | h | H | E | F | L | L1 | L2 | L3 | L4 | 4—Φ | D | D1 | L0 |
| QJH-10B | 33 | 42 | 68 | 38 | 54 | 78 | 45 | 56 | 11 | 10 | 7 | 10 | 20 | 140 |
| QJH-15B | 39 | 46 | 75 | 42 | 60 | 88 | 52 | 60 | 6 | 16 | 9 | 14 | 25 | 140 |
| QJH-20B | 49 | 50 | 78 | 50 | 70 | 105 | 60 | 70 | 7.5 | 17 | 11 | 19 | 30 | 160 |
| QJH-25B | 52 | 60 | 86 | 55 | 77 | 114 | 65 | 80 | 11 | 17.5 | 11 | 23 | 35 | 185 |
| QJH-32B | 76 | 76 | 118 | 75 | 100 | 152 | 90 | 120 | 19 | 16 | 13 | 30 | 42 | 185 |
| QJH-40B | 87 | 95 | 135 | 90 | 122 | 185 | 110 | 150 | 23 | 20 | 17 | 38 | 50 | 280 |
| QJH-50B | 108 | 110 | 160 | 112 | 150 | 220 | 136 | 136 | 0 | 46 | 6-21 | 46 | 60 | 300 |
聲明:本文中所有文字、數據、圖片均只適用于參考,QJH型板式高壓球芯截止閥性能參數、結構尺寸參數、價格等詳情,請聯系我們,電話:021-80392609。






