

H44Y、H44H型旋啟式法蘭鑄鋼止回閥
產品概述: H44Y、H44H型旋啟式法蘭鑄鋼 止回閥 PN16~PN25適用于壓力1.6~25MPa, 工作溫度 -29~+550℃ 的石油、化工、制藥、化肥、電力行業等各種工況的管路上,適用介質為水、油品、蒸汽、酸性介質等,防止介質的倒流,屬于一種自動閥門,防止泵及其驅動電...
產品型號:H44Y、H44H
產品口徑(DN):25~400(mm)
產品壓力(PN):1.6~2.5(Mpa)
更新日期:2015-07-02
免費詢價
24小時免費咨詢電話021-80392609
- 產品詳情
產品概述:
H44Y、H44H型旋啟式法蘭鑄鋼止回閥PN16~PN25適用于壓力1.6~25MPa, 工作溫度 -29~+550℃ 的石油、化工、制藥、化肥、電力行業等各種工況的管路上,適用介質為水、油品、蒸汽、酸性介質等,防止介質的倒流,屬于一種自動閥門,防止泵及其驅動電機機反轉,以及容器內介質的泄放,止回閥又稱為逆流閥、逆止閥、背壓閥和單向閥。這類閥門是靠管路中介質本身的流動產生的力而自動開啟和關閉的,屬于一種自動閥門。止回閥用于管路系統,其主要作用是防止介質倒流、防止泵及其驅動電動機反轉,以及容器內介質的泄放。止回閥還可用于給其中的壓力可能升到超過主系統壓力的輔助系統提供補給的管路上。
止回閥型號編制說明
| 閥門類型 | 傳動方式 | 連接形式 | 結構形式 | 密封材質 | 公稱壓力 | 閥體材質 |
| H:止回閥 | 此欄不寫 | 4:法蘭 | 旋啟單瓣式 |
T:銅合金 X:橡膠 F:氟塑料 H:合金鋼 Y:硬質合金 J:襯膠 W:本體 |
-10:PN1.0MPa -16:PN1.6MPa -25:PN2.5MPa -40:PN4.0MPa -64:PN6.4MPa -150LB:Class150 -300LB:Class300 -600LB:Class600 |
C碳鋼 H:Cr13系列鋼 I:鉻鉬鋼 K:可鍛鑄鐵 P:鉻鎳不銹鋼 Q:球墨鑄鐵 R:鉻鎳鉬不銹鋼 T:銅 TI:鈦及鈦合金 V:鉻鉬釩鋼 Z:灰鑄鐵 |
產品特點:
H44Y、H44H型旋啟式法蘭鑄鋼止回閥PN16~PN25是靠管路中介質本身的流動產生的力而自動開啟和關閉的,屬于一種自動閥門。止回閥用于管路系統,其主要作用是防止介質倒流、防止泵及其驅動電機機反轉,以及容器內介質的泄放。止回閥還可用于給其中的壓力可能升到超過主系統壓力的輔助系統提供補給的管路上。旋啟式止回閥的工作原理
旋啟式止回閣的閥瓣繞閥體內的轉軸旋轉,轉軸的軸線和閥體密封面在一個平面上,才能保證關閉時達到密封。旋啟式止回閥一般只能安裝在水平管路上。使用時,靠介質的工作壓力把閥瓣沖開,此時止回閥便開啟,介質通過;關閉時,靠介質逆流和閥瓣的自重,閥瓣繞閥體內轉軸旋轉,從而使閥瓣和閥座密合,達到關閉止回閥的目的。一旦旋啟式止回閥關閉,其密封力就形成,這個密封力就是反向介質壓力作用在閥瓣上的力,密封比壓也就形成,也就能保證旋啟式止回閥的密封,管道介質工作壓力越高,密封力越大,密封比壓也就越大,越容易保證密封;相反,管道介質工作壓力越低,密封力也就越小。密封比壓也就越低,不易保證密封,這時,為了保證密封比壓,只能把密封面設計得窄些,才能保證達到密封。但應注意,在介質工作壓力很高時,其密封力必然很大,密封比壓也就很高。要保證實際密封比壓大于的密封比壓,同時一定要小于材料所允許的許用比壓,只有這樣,才能既保證了密封,又可靠。旋啟式止回閥一般都水平安裝,這樣在開啟過程中,介質流道基本呈一直線,故流體阻力小于升降式止回悶。由于結構上的原因,旋啟式止回閥適用于較大口徑的場合。旋啟式止回閥根據閥瓣的數目可分為單瓣旋啟式、雙瓣旋啟式及多瓣旋啟式三種。單瓣旋啟式止回閥一般適用于中等口徑的場合。大口徑管路選用單瓣旋啟式止回閥時。為減少水擊壓力、采用能減小水擊壓力的緩閉式止回閥。雙瓣旋啟式止回閥適用于大中口徑的管路。對夾雙瓣旋啟式止回閥結構較小,重量較輕,是一種有發展前途的產品。多瓣旋啟式止回閥只適用于低壓、大口徑
的管路。
安裝注意事項:
止回閥的安裝應注意以下事頂1、在管線中不要使止回閥承受重量,大型的止回閥應獨立支撐,使之不受管系產生的壓力的影響。
2、安裝時注意介質流動的方向應與閥體所票箭頭方向一致。
3、升降式垂直瓣止回閥應安裝在垂直管道上。
4、升降式水平瓣止回閥應安裝在水平管道上。
產品性能參數:
| 型號 | H44H-16C~250 | H44W-16P~250 | |
| 工作壓力(MPa) | 1.6~25 | ||
| 適用溫度(℃) | ≤425 | ≤150 | |
| 適用介質 | 水、蒸汽、油品 | 弱腐蝕性介質 | |
| 材料 | 閥體、閥蓋、閥瓣 | 碳素鋼 | 鉻鎳鈦不銹鋼 |
| 密封面 | 碳鋼堆焊鐵基合金 | 本體密封 | |
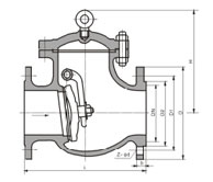
產品外形結構尺寸:
| 公稱通徑 DN | 主要外形尺寸和連接尺寸 | ||||||
| L | D | D1 | D2 | b | Z-d | H | |
| H44H-16C H44W-16C H44W-16P H44W-16R H44W-16I | |||||||
| 25 | 160 | 115 | 85 | 65 | 16 | 4-14 | 100 |
| 32 | 180 | 135 | 100 | 78 | 16 | 4-18 | 105 |
| 40 | 200 | 145 | 100 | 85 | 16 | 4-18 | 115 |
| 50 | 230 | 160 | 125 | 100 | 16 | 4-18 | 135 |
| 65 | 290 | 180 | 145 | 120 | 18 | 4-18 | 142 |
| 80 | 310 | 195 | 160 | 135 | 20 | 8-18 | 165 |
| 100 | 350 | 215 | 180 | 155 | 20 | 8-18 | 180 |
| 125 | 400 | 245 | 210 | 185 | 22 | 8-18 | 210 |
| 150 | 480 | 280 | 240 | 210 | 24 | 8-23 | 233 |
| 200 | 500 | 335 | 295 | 265 | 26 | 12-23 | 304 |
| 250 | 550 | 405 | 355 | 320 | 30 | 12-25 | 348 |
| 300 | 650 | 460 | 410 | 375 | 30 | 12-25 | 390 |
| 350 | 750 | 520 | 470 | 435 | 34 | 16-25 | 430 |
| 400 | 850 | 580 | 525 | 485 | 36 | 16-30 | 468 |
| H44H-25 H44W-25 H44W-25P H44W-25R H44W-25I | |||||||
| 25 | 160 | 115 | 85 | 65 | 16 | 4-14 | 100 |
| 32 | 180 | 135 | 100 | 78 | 16 | 4-18 | 105 |
| 40 | 200 | 145 | 110 | 85 | 16 | 4-18 | 115 |
| 50 | 230 | 160 | 125 | 100 | 20 | 4-18 | 160 |
| 65 | 290 | 180 | 145 | 120 | 22 | 8-18 | 175 |
| 80 | 310 | 195 | 160 | 135 | 22 | 8-18 | 185 |
| 100 | 350 | 230 | 190 | 160 | 24 | 8-23 | 220 |
| 125 | 400 | 270 | 220 | 188 | 28 | 8-25 | 248 |
| 150 | 480 | 300 | 250 | 218 | 30 | 8-25 | 276 |
| 200 | 550 | 360 | 310 | 278 | 34 | 12-25 | 350 |
| 250 | 650 | 425 | 370 | 332 | 36 | 12-30 | 410 |
| 300 | 750 | 485 | 430 | 390 | 40 | 16-30 | 430 |
| 350 | 850 | 550 | 490 | 448 | 44 | 16-34 | 518 |
| 400 | 950 | 610 | 550 | 505 | 48 | 16-34 | 560 |
產品外形尺寸圖:

止回閥的操作
止回閥的操作方式應避免發生如下情況:(1)因止回閥關閉而造成過分高的沖擊壓力。
(2)閥門關閉件快速振蕩動作。
為了避免因關閉止回閥而形成的過高沖擊壓力,閥門關閉迅速。從而防止形成極大的倒流速度。該倒流速度就是形成沖擊壓力的原因,故止回閥的關閉速度應與順流介質的衰減速度正確匹配。
但是,順流介質的衰減速度在液體系統可能變化很大。舉例來說,如果液體系統采用一組并聯泵,而其中的一臺突然失效,則在該失效泵出口處的止回悶就幾乎在同時關閉。另外,如果液體系統只有一臺泵,而此泵突然失靈,又如輸送管較長,而且出口端的背壓及泵送壓頭較低,則關閉速度較小的止回閥就比較好。
止回閥的活動零件若磨損過快,則會導致閥門過早失靈。為了防止這種情況發生,避免關閉件產生快速振蕩動作,這種關閉件的快速振蕩動作可以通過對一迫使關閉件穩定地對付介質停止流動的介質速度選定閥門來予以避免。
這種理想的情況不是經常可以獲得的。例如,假使順流介質的速度變化范圍很大。則小的流速就不足以迫使關閉件穩定停止。在這種情況下,關閉件的運動可在其動作行程的一定范
圍內用阻尼器來加以抑制。如果介質為脈動流,則止回閥應盡可能置于遠離脈動源的地方。關閉件的快速振蕩也可能是由極度的介質擾動而引起,凡是存在這種情況之處,止回閥應該安置
在介質擾動小的地方。
因此,選擇止回閥首先是掌握該止回閥所處的工況條件。
注:本公司是上海閥門生產廠家,生產的閥門種類調節閥,球閥,蝶閥,閘閥,減壓閥,止回閥,疏水閥,截止閥,旋塞閥,閥,節流閥,水力控制閥等,其中止回閥分為:煙道止回閥,靜音止回閥,對夾式止回閥,升降式止回閥,不銹鋼止回閥,旋啟式止回閥等,工程師皆有數十年經驗,歡迎您來電洽談業務!
聲明:本文中所有文字、數據、圖片均只適用于參考,H44Y、H44H型旋啟式法蘭鑄鋼止回閥性能參數、結構尺寸參數、價格等詳情,請聯系我們,電話:021-80392609。



