

PZ673X型氣動漿液閥、鑄鐵刀閘閥、氣動漿液閥圖片、氣動漿液閥型
pz673x氣動漿液閥,pz673x氣動漿液閥圖片,pz673x氣動漿液閥廠家,pz673x氣動漿液閥型號,PZ673X型氣動漿液閥、鑄鐵刀閘閥適用于糖漿、紙漿、泥漿、污水、煤漿等介質管路上,適用溫度:-10~80℃作啟閉調節和節流使用,適用于水平安裝,亦可傾斜安裝。...
- 產品詳情
產品概述
PZ673X型氣動漿液閥、鑄鐵刀閘閥適用于糖漿、紙漿、泥漿、污水、煤漿等介質管路上,適用溫度:-10~80℃作啟閉調節和節流使用,適用于水平安裝,亦可傾斜安裝。產品特點
1、結構簡單:輕便、密封性能好。2、操作方式:手輪、電動、電液動、氣動。
主要零部件材質
| 閥體 | 灰鑄鐵、碳鋼 |
| 閘板 | 不銹鋼 |
| 閥桿 | 不銹鋼 |
| 立柱 | 45# |
| 密封圈 | 橡膠 |
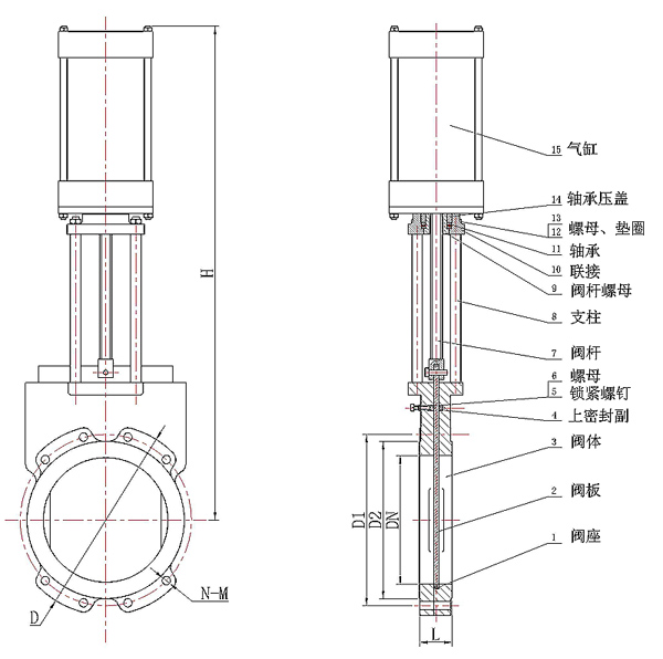
產品外形結構尺寸
|
DN |
L | D1 | D2 | D0 | H | N-M | |
| PN6 | PN10 | ||||||
| 50 | 40 | 40 | 125 | 100 | 180 | 295 | 4-M16 |
| 65 | 40 | 40 | 145 | 120 | 180 | 305 | 4-M16 |
| 80 | 50 | 50 | 160 | 135 | 220 | 330 | 4-M16 |
| 100 | 50 | 50 | 180 | 155 | 220 | 380 | 4-M16 |
| 125 | 50 | 50 | 210 | 185 | 240 | 415 | 4-M16 |
| 150 | 60 | 60 | 240 | 210 | 280 | 490 | 4-M20 |
| 200 | 60 | 60 | 295 | 265 | 280 | 550 | 4-M20 |
| 250 | 70 | 70 | 350 | 320 | 360 | 693 | 8-M20 |
| 300 | 70 | 80 | 400 | 368 | 400 | 796 | 8-M20 |
| 350 | 80 | 90 | 460 | 428 | 400 | 895 | 10-M20 |
| 400 | 80 | 120 | 515 | 482 | 500 | 1004 | 10-M22 |
| 450 | 90 | 120 | 565 | 532 | 500 | 1110 | 14-M22 |
| 500 | 100 | 130 | 620 | 585 | 600 | 1210 | 14-M22 |
| 600 | 100 | 140 | 825 | 685 | 700 | 1460 | 14-M27 |
| 700 | 100 | 140 | 840 | 800 | 800 | 1680 | 16-M27 |
| 800 | 120 | 150 | 950 | 905 | 800 | 1910 | 16-M30 |
| 900 | 120 | 150 | 1050 | 1005 | 800 | 2130 | 20-M30 |
產品外形結構尺寸圖

刀型閘閥的安裝注意事項
1.刀型閘閥安裝前須檢查閥門腔內和密封面等部位,不允許有污物或砂粒附著;
2.各連接部位螺栓,要求均勻擰緊;
3.檢查填料部位要求壓緊,既保證填料的密封性,也要保證閘板開啟靈活;
4.用戶在安裝閥門前,校對閥門型號,連接尺寸及注意介質流向,保證與閥門要求一致性;
5.用戶在安裝閥門時,預留閥門驅動的必要空間;
6.驅動裝置的接線須按線路圖進行;
7.刀閘閥定期保養,不得隨意碰撞及擠壓,以免影響密封。

聲明:本文中所有文字、數據、圖片均只適用于參考,PZ673X型氣動漿液閥、鑄鐵刀閘閥、氣動漿液閥圖片、氣動漿液閥型性能參數、結構尺寸參數、價格等詳情,請聯系我們,電話:021-80392609。




